GM Service Manual Online
For 1990-2009 cars only
Makes
🢒
Chevrolet
🢒
2000
🢒
S10 Pickup - 2WD
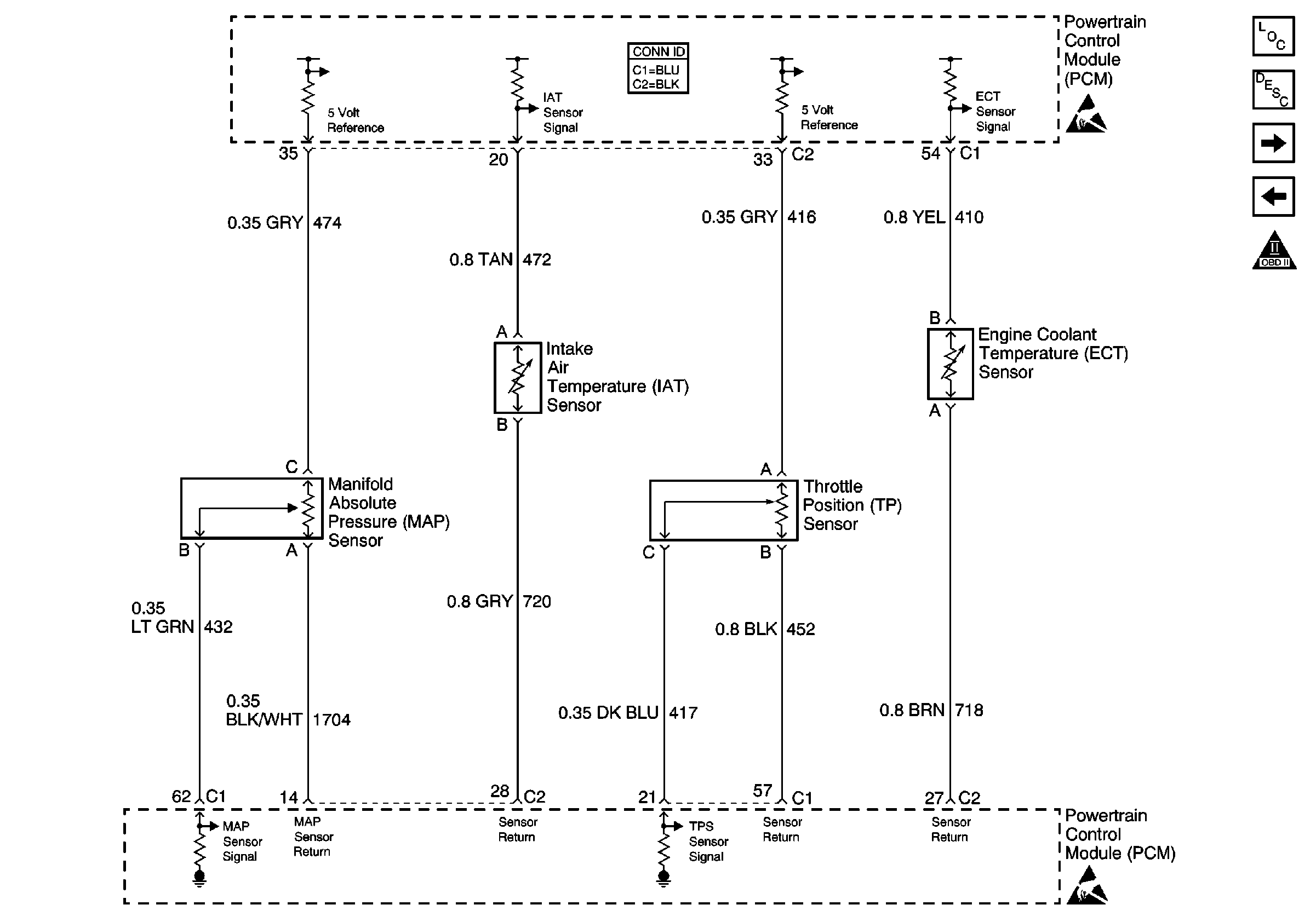
🢒 MAP, IAT, TPS and ECT Sensors
MAP, IAT, TPS and ECT Sensors
MAP, IAT, TPS and ECT Sensors
Engine Controls Components
Information Sensors/Switches Description
Oxygen Sensors
Data Link Connector
OBD II Symbol Description Notice
Powertrain Control Module Connector End Views
Handling ESD Sensitive Parts Notice
Handling ESD Sensitive Parts Notice