GM Service Manual Online
For 1990-2009 cars only
Makes
🢒
Chevrolet
🢒
2000
🢒
S10 Pickup - 2WD
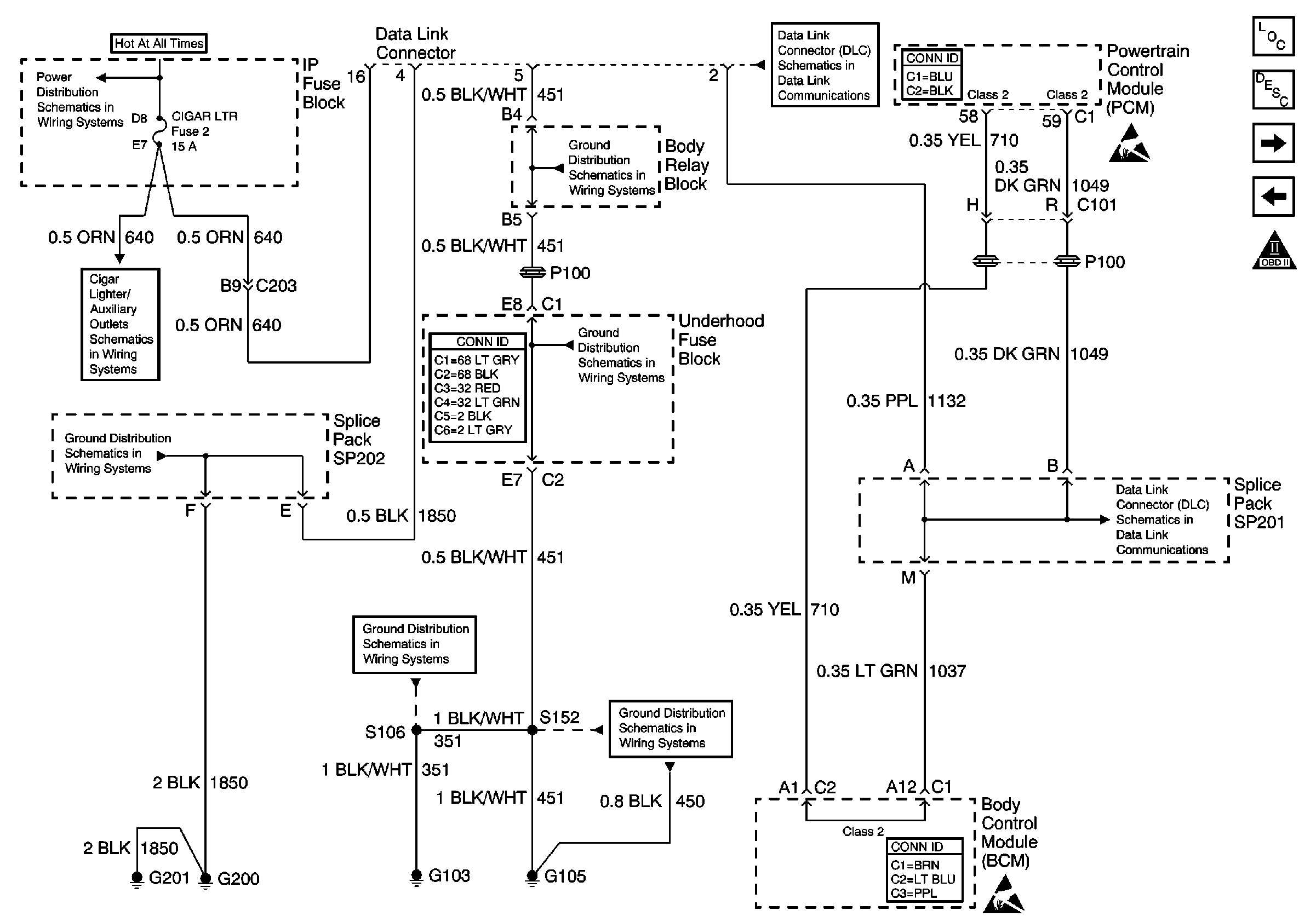
🢒 Data Link Connector
Data Link Connector
Data Link Connector
Engine Controls Components
Serial Data Communications
MAP, IAT, TPS and ECT Sensors
Power, Grounding, Generator and MIL
INT BATT, PWR LKS, CTSY LP and CIGAR LTR Fuses
Cigar Lighter/Auxiliary Outlets Schematics
G200, G201 and G207
G103 and G105 (2.2L)
Power and Grounding Connector End Views
G103 and G105 (2.2L)
G103 and G105 (2.2L)
G103 and G105 (2.2L)
Power and Ground
Powertrain Control Module Connector End Views
Handling ESD Sensitive Parts Notice
Body Control System Connector End Views
Handling ESD Sensitive Parts Notice
SP201 (2.2L)