GM Service Manual Online
For 1990-2009 cars only
Makes
🢒
Chevrolet
🢒
2000
🢒
S10 Pickup - 2WD
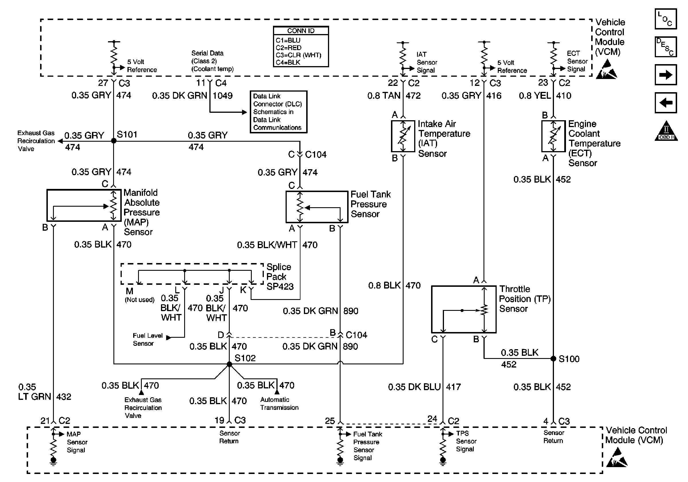
🢒 Engine Sensors (Utility)
Engine Sensors (Utility)
Engine Sensors (Utility)
Engine Controls Components
Information Sensors/Switches Description
Heated Oxygen Sensors
Engine Sensors (Pickup)
OBD II Symbol Description Notice
VCM Connector End Views
Handling ESD Sensitive Parts Notice
EGR and EVAP Valves
Automatic Transmission Switch Inputs
EGR and EVAP Valves
Automatic Transmission and PNP Switch Inputs
Handling ESD Sensitive Parts Notice