GM Service Manual Online
For 1990-2009 cars only
Makes
🢒
Chevrolet
🢒
2000
🢒
S10 Pickup - 2WD
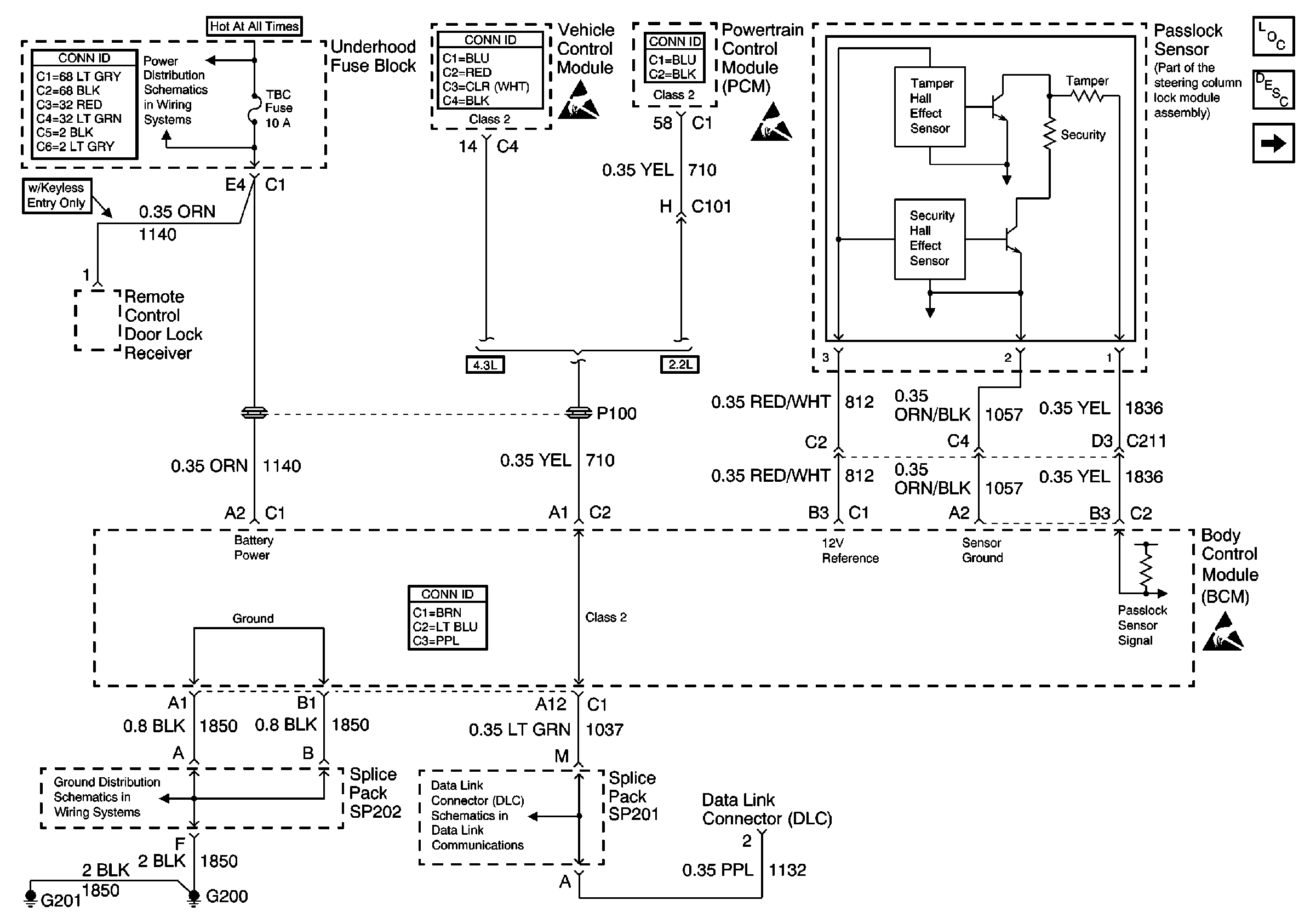
🢒 Power, Ground and Passlock ™ Sensor
Power, Ground and Passlock ™ Sensor
Power, Ground and Passlock⢠Sensor
Theft Deterrent System Components
Vehicle Theft Deterrent (VTD) Description
Door Jamb Switch Inputs
Power and Grounding Connector End Views
STUD 2, ABS, TBC and RR W/W Fuses
VCM Connector End Views
Handling ESD Sensitive Parts Notice
Powertrain Control Module Connector End Views
Handling ESD Sensitive Parts Notice
Body Control System Connector End Views
Handling ESD Sensitive Parts Notice
G103 and G105 (2.2L)
SP201 (2.2L)