GM Service Manual Online
For 1990-2009 cars only
Makes
🢒
Chevrolet
🢒
2000
🢒
S10 Pickup - 2WD
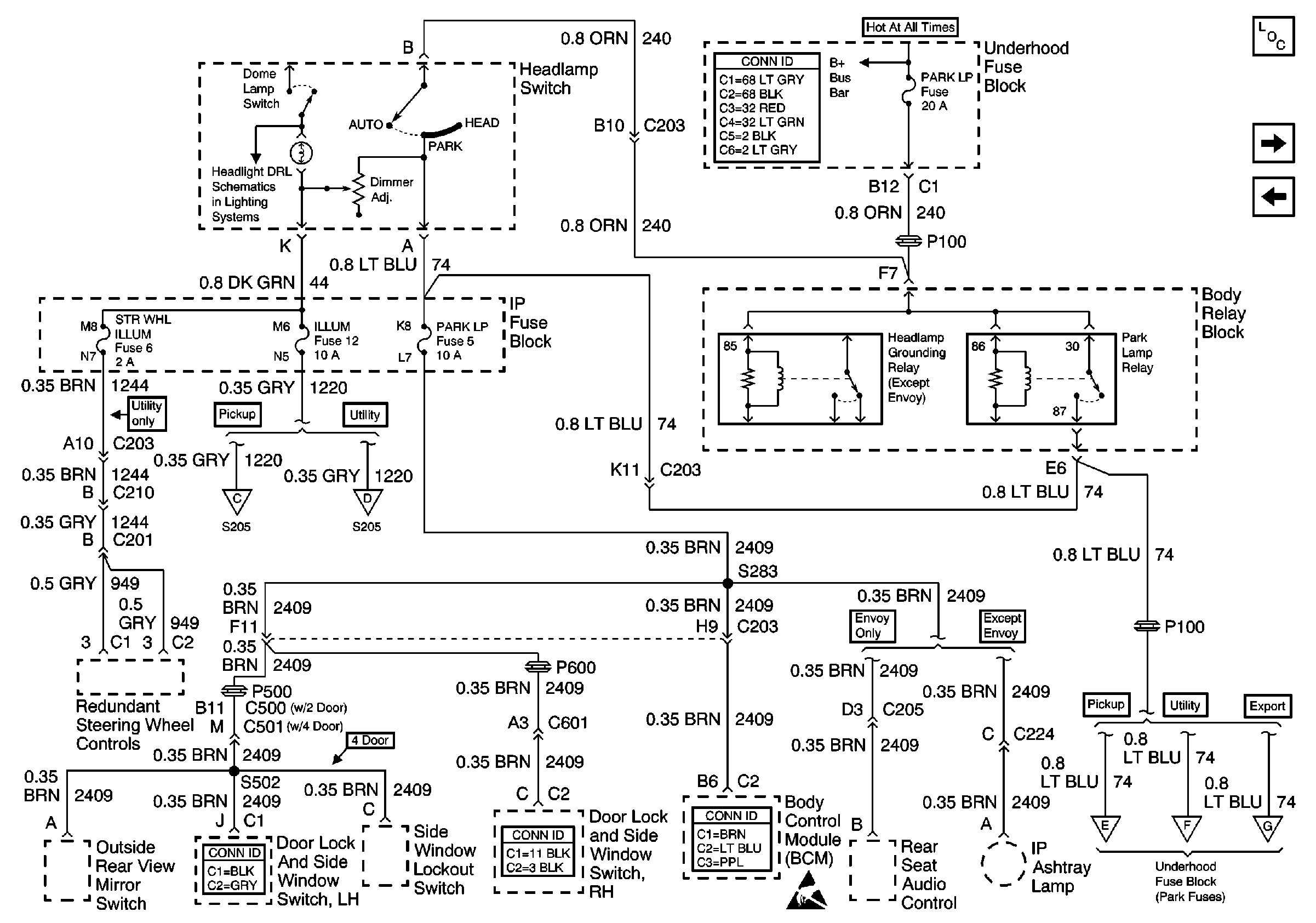
🢒 ILLUM and PARK LP Fuses
ILLUM and PARK LP Fuses
ILLUM and PARK LP Fuses
Power and Grounding Components
ILLUM Power (Pickup)
ECM B Fuse and Horn, Rear Defogger Relays
Headlamp Switch, Ambient Light Sensor and BCM
Power and Grounding Connector End Views
B+ Bus Bar
ILLUM Power (Pickup)
ILLUM Power (Utility)
Power Door Systems Connector End Views
Power Door Systems Connector End Views
Body Control System Connector End Views
Handling ESD Sensitive Parts Notice
FR PRK, LR PRK, RR PRK Fuses and Fog Lamp Relay (Pickup)
FR PRK, LR PRK, RR PRK, TRL PRK Fuses and Fog Lamp Relay (Utility)
FR PRK, LR PRK, RR PRK, TRL PRK Fuses and Fog Lamp Relay (Export)