GM Service Manual Online
For 1990-2009 cars only
Makes
🢒
Chevrolet
🢒
2000
🢒
S10 Pickup - 2WD
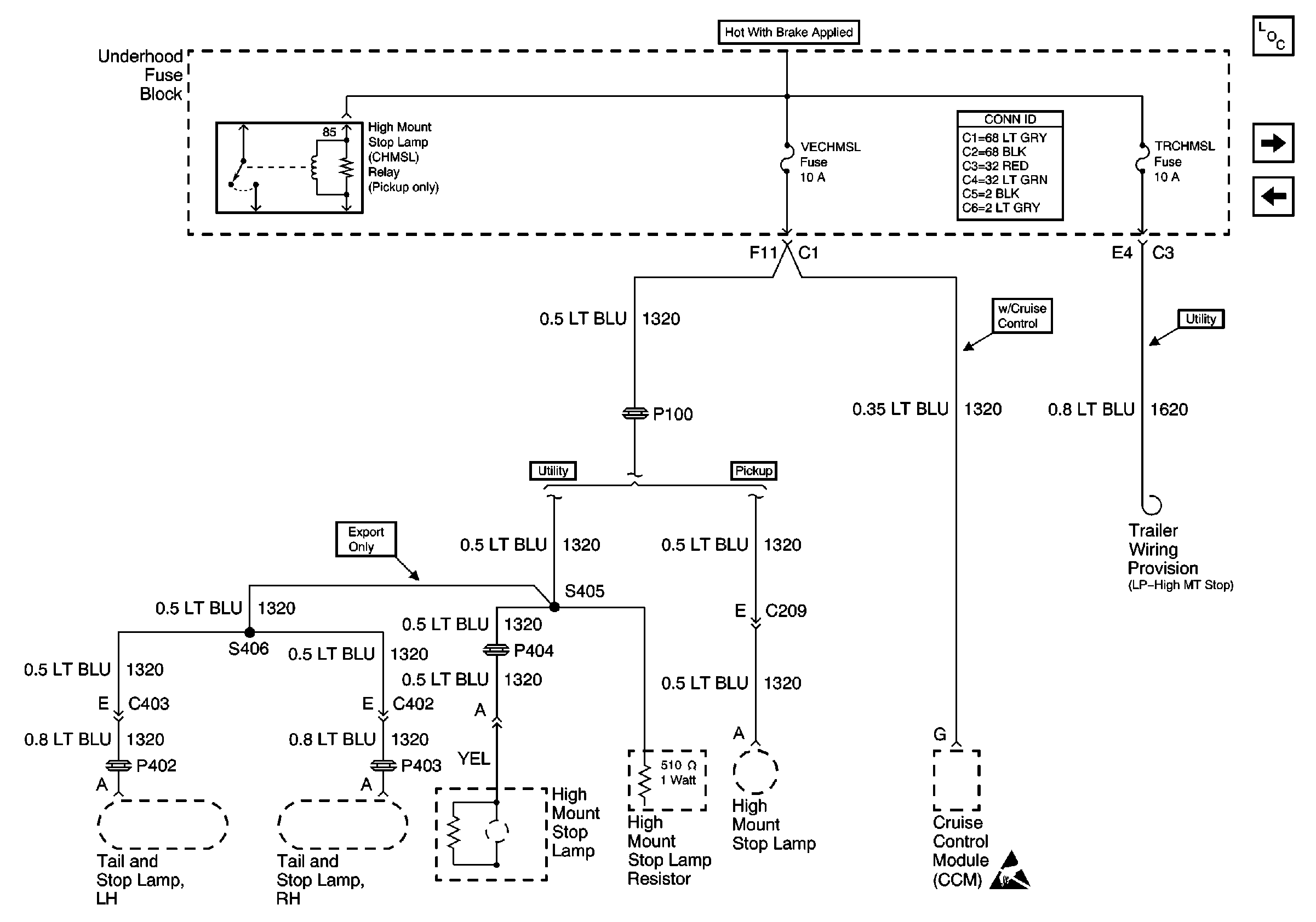
🢒 VECHMSL, TRCHMSL Fuses and CHMSL Relay
VECHMSL, TRCHMSL Fuses and CHMSL Relay
VECHMSL, TRCHMSL Fuses and CHMSL Relay
Power and Grounding Components
RT TURN, RT TRN and TRR TRN Fuses
HVAC and CRUISE Fuses
Stop, Turn and Hazard Bus Bar
Power and Grounding Connector End Views
Handling ESD Sensitive Parts Notice