GM Service Manual Online
For 1990-2009 cars only
Makes
🢒
Chevrolet
🢒
2000
🢒
S10 Pickup - 2WD
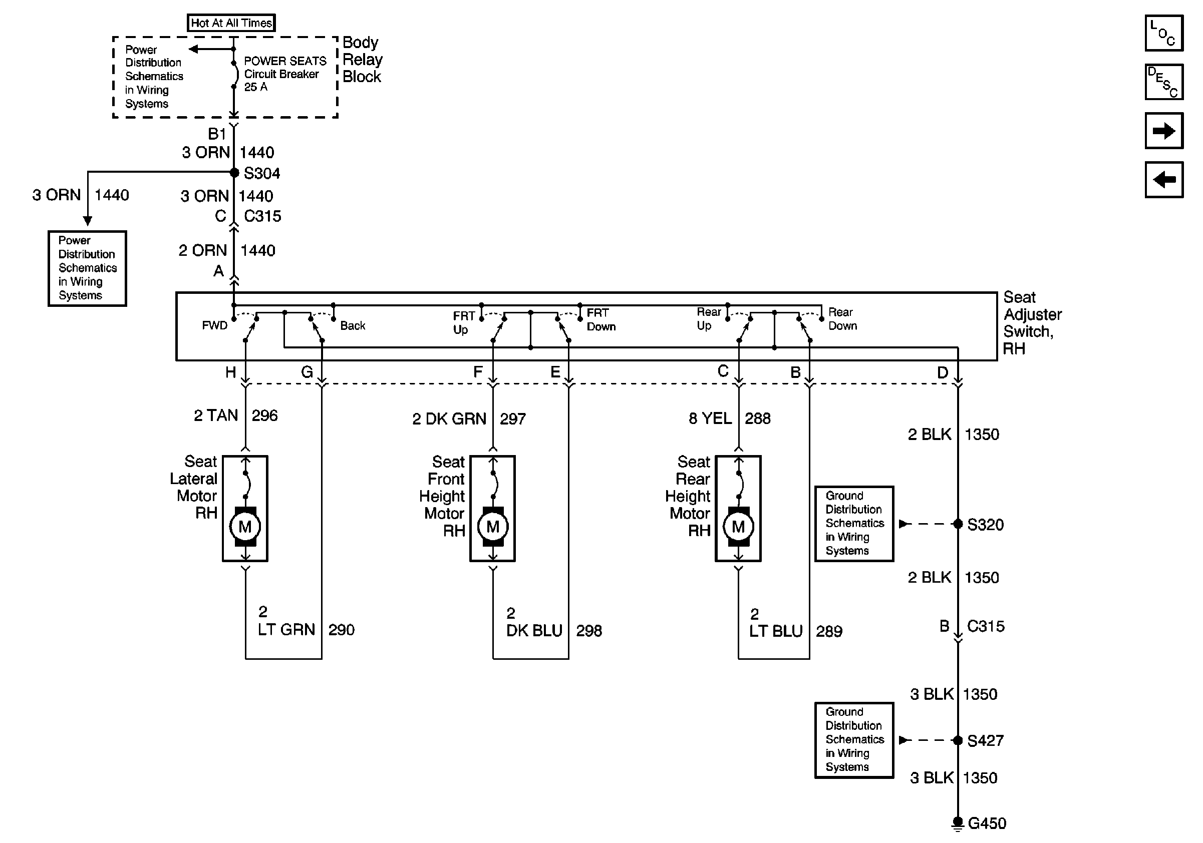
🢒 6-Way RH Power Seat
6-Way RH Power Seat
6-Way RH Power Seat
Power Seat Systems Components
Power Seats Circuit Description
8-Way LH Power Seat
6-Way LH Power Seat
Power Seats, Power Windows Circuit Breakers and RAP Relay
Power Seats, Power Windows Circuit Breakers and RAP Relay
S320 and S420
S320 and S420