GM Service Manual Online
For 1990-2009 cars only
Makes
🢒
Chevrolet
🢒
2000
🢒
S10 Pickup - 2WD
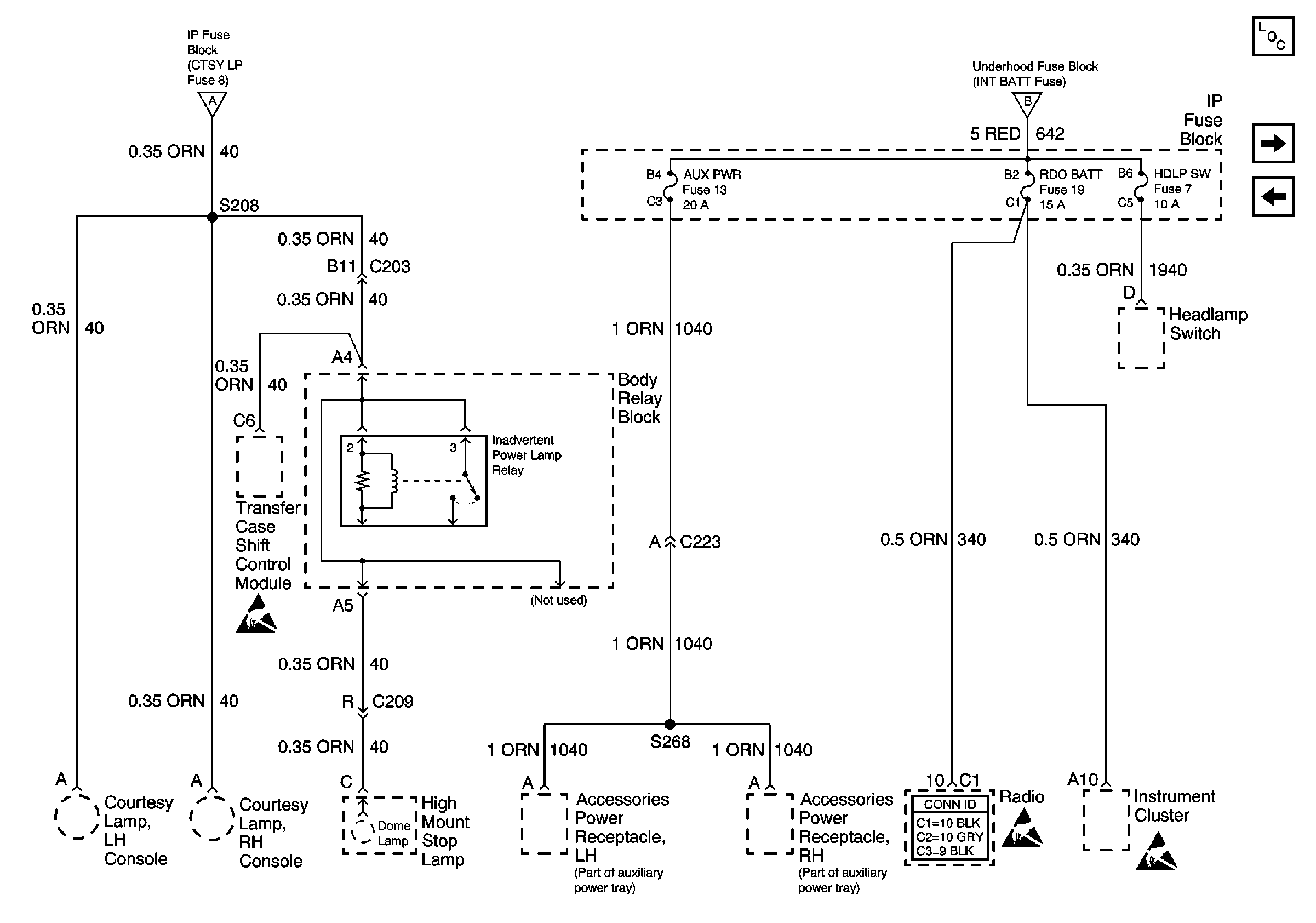
🢒 AUX PWR, RDO BATT, HDLP SW Fuses and Inadvertent Power Lamp Relay
AUX PWR, RDO BATT, HDLP SW Fuses and Inadvertent Power Lamp Relay
AUX PWR, RDO BATT, HDLP SW Fuses and Inadvertent Power Lamp Relay
Power and Grounding Components
ATC, HVAC and A/C Fuses
INT BATT, PWR LKS, CTSY LP and CIGAR LTR Fuses
INT BATT, PWR LKS, CTSY LP and CIGAR LTR Fuses
INT BATT, PWR LKS, CTSY LP and CIGAR LTR Fuses
Handling ESD Sensitive Parts Notice
Entertainment Connector End Views
Handling ESD Sensitive Parts Notice
Handling ESD Sensitive Parts Notice