GM Service Manual Online
For 1990-2009 cars only
Makes
🢒
Chevrolet
🢒
2000
🢒
S10 Pickup - 2WD
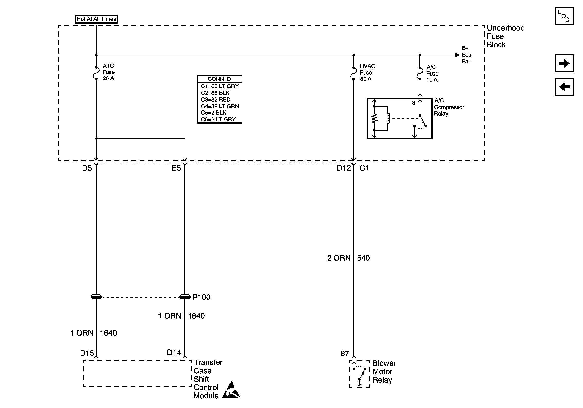
🢒 ATC, HVAC and A/C Fuses
ATC, HVAC and A/C Fuses
ATC, HVAC and A/C Fuses
Power and Grounding Components
MIR/LKS, FOG LP, LT HDLP, and RT HDLP Fuses
AUX PWR, RDO BATT, HDLP SW Fuses and Inadvertent Power Lamp Relay
Power and Grounding Connector End Views
B+ Bus Bar
Handling ESD Sensitive Parts Notice