GM Service Manual Online
For 1990-2009 cars only
Makes
🢒
Chevrolet
🢒
2000
🢒
S10 Pickup - 2WD
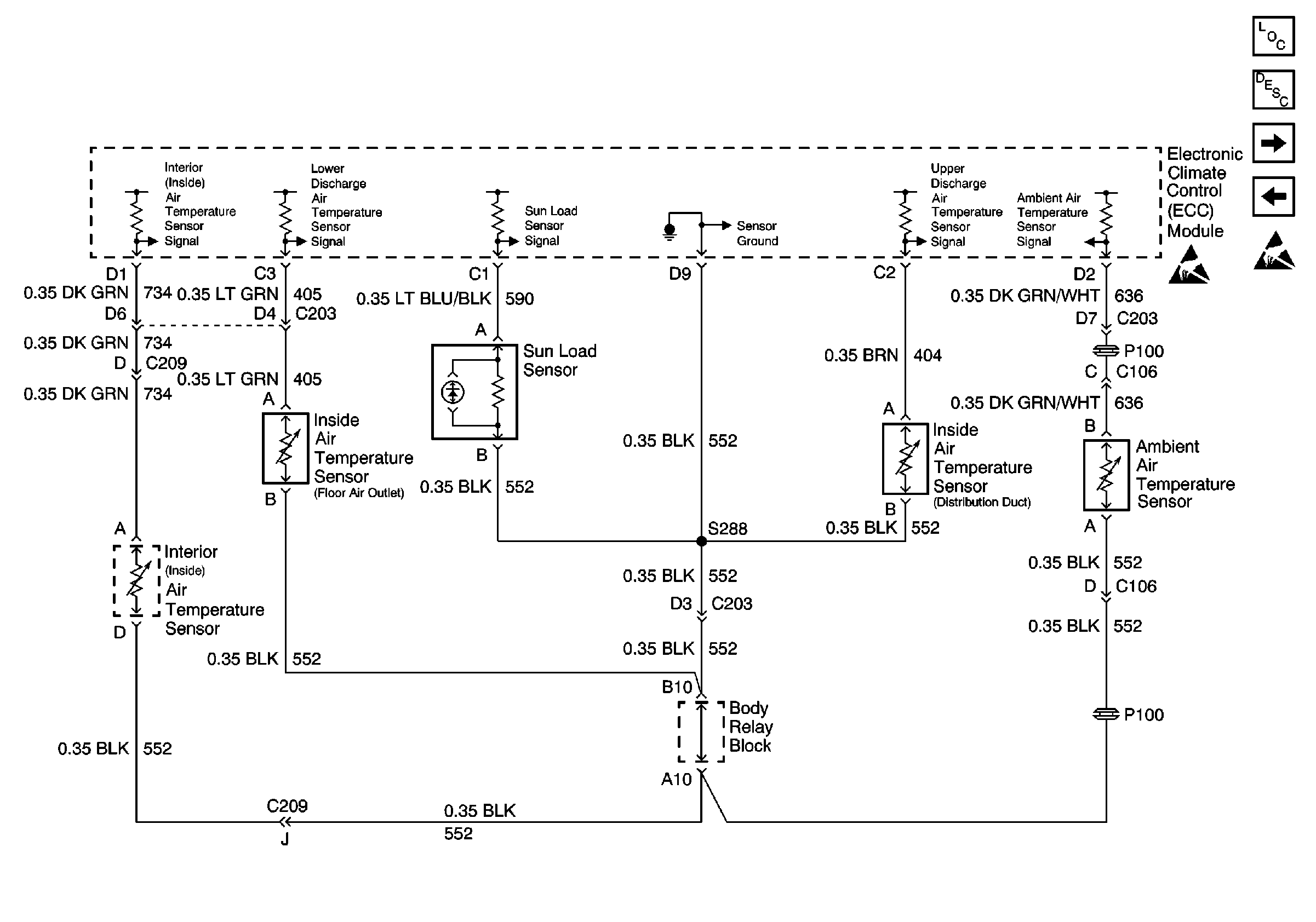
🢒 ECC Module and Temperature Sensors
ECC Module and Temperature Sensors
ECC Module and Temperature Sensors
HVAC Components
HVAC Air Delivery/Temperature Control Circuit Description
HVAC Vacuum Control Solenoid Valve Assembly and Electric Actuator
ECC Module, Power and Ground
Handling ESD Sensitive Parts Notice