GM Service Manual Online
For 1990-2009 cars only
Makes
🢒
Chevrolet
🢒
2000
🢒
S10 Pickup - 2WD
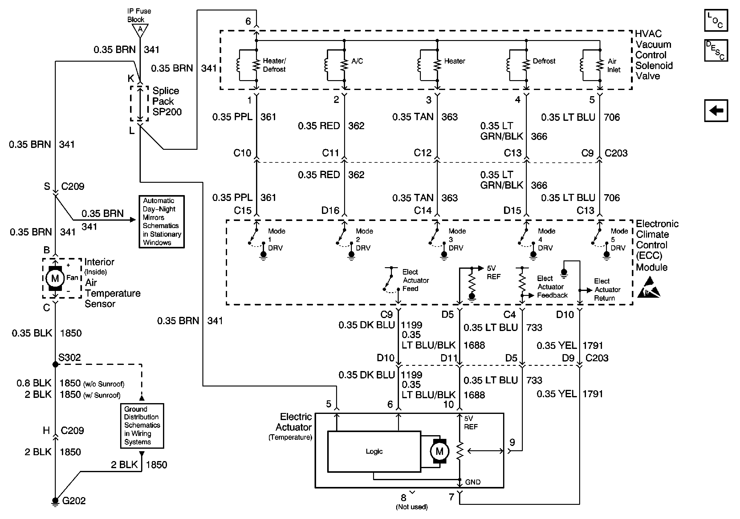
🢒 HVAC Vacuum Control Solenoid Valve Assembly and Electric Actuator
HVAC Vacuum Control Solenoid Valve Assembly and Electric Actuator
HVAC Vacuum Control Solenoid Valve Assembly and Electric Actuator
HVAC Components
HVAC Air Delivery/Temperature Control Circuit Description
ECC Module and Temperature Sensors
ECC Module, Power and Ground
Automatic Day-Night Mirrors Schematics
G202 (Utility)
Handling ESD Sensitive Parts Notice