GM Service Manual Online
For 1990-2009 cars only
Makes
🢒
Chevrolet
🢒
2000
🢒
S10 Pickup - 2WD
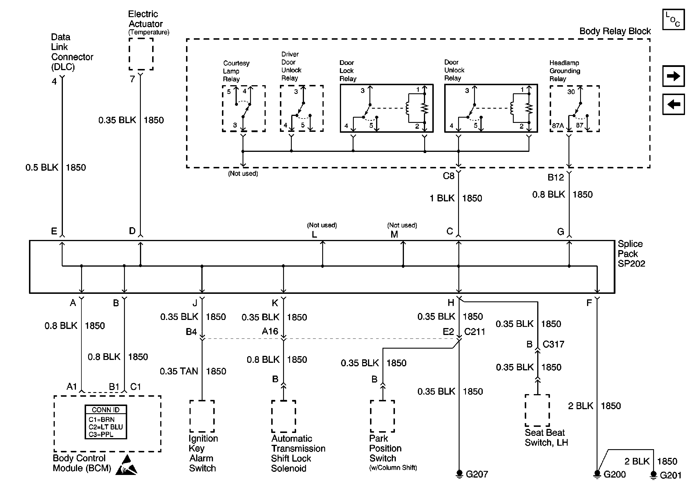
🢒 G200, G201 and G207
G200, G201 and G207
G200, G201 and G207
Power and Grounding Components
G202
G104 and G117
Body Control System Connector End Views
Handling ESD Sensitive Parts Notice