GM Service Manual Online
For 1990-2009 cars only
Makes
🢒
Chevrolet
🢒
2000
🢒
S10 Pickup - 2WD
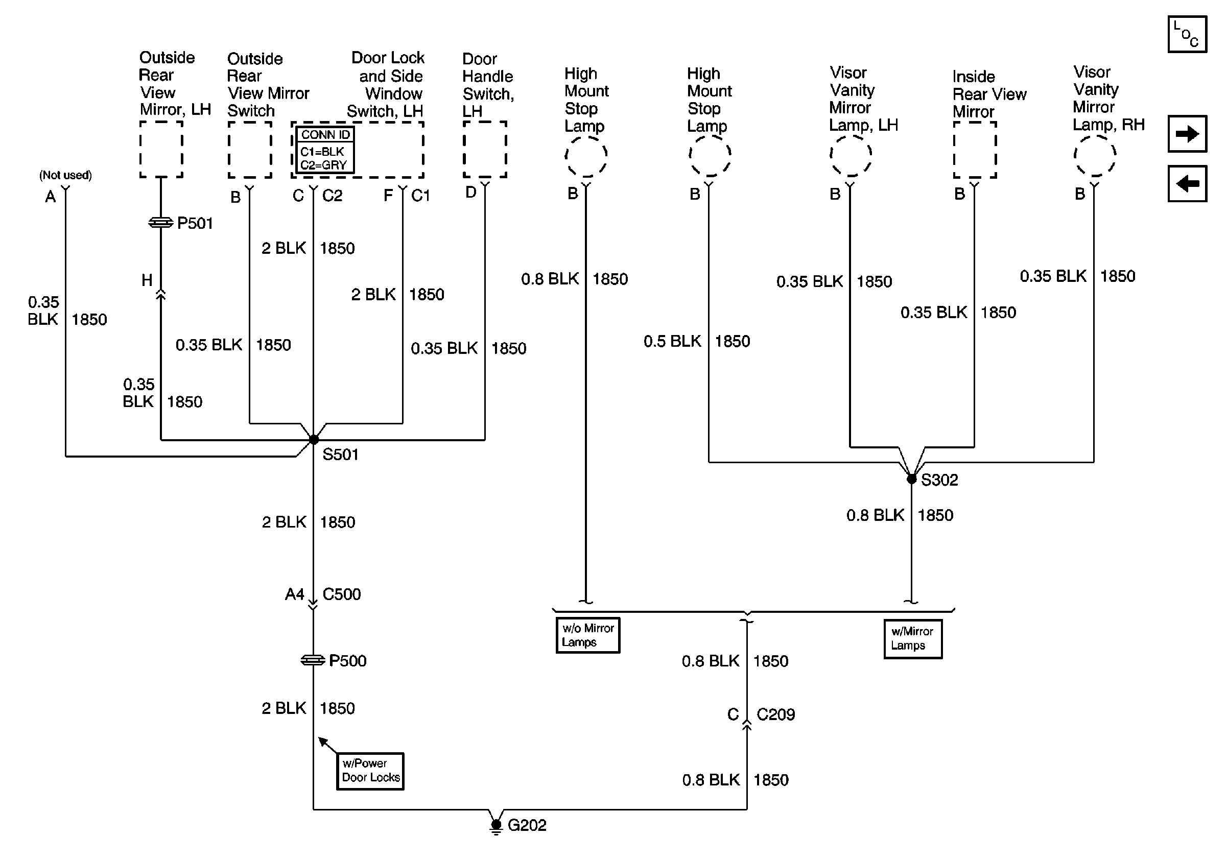
🢒 G202
G202
G202
Power and Grounding Components
G203 and G204
G200, G201 and G207
Power Door Systems Connector End Views