GM Service Manual Online
For 1990-2009 cars only
Makes
🢒
Chevrolet
🢒
2000
🢒
S10 Pickup - 2WD
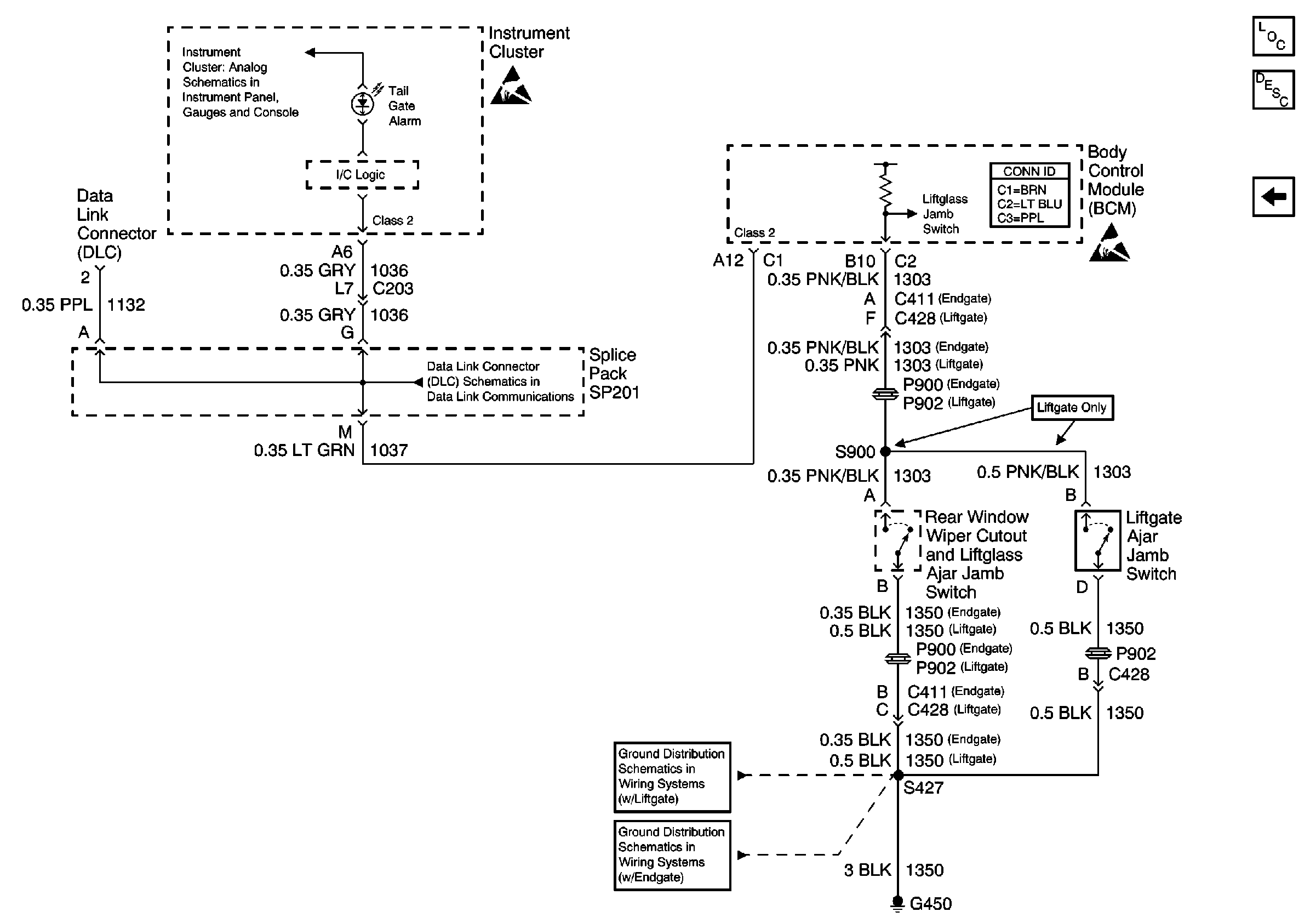
🢒 Gate Ajar Indicator
Gate Ajar Indicator
Gate Ajar Indicator
Body Rear End Components
Release System Description
Output
PCM/VCM, Data Link Connector (DLC), Engine Oil Pressure Gauge Sensor
Handling ESD Sensitive Parts Notice
SP201 (4.3L)
Body Control System Connector End Views
Handling ESD Sensitive Parts Notice
G420 and G450 (Utility w/ Liftgate)
G420 and G450 (Utility w/ Endgate)