GM Service Manual Online
For 1990-2009 cars only
Makes
🢒
Chevrolet
🢒
2000
🢒
S10 Pickup - 2WD
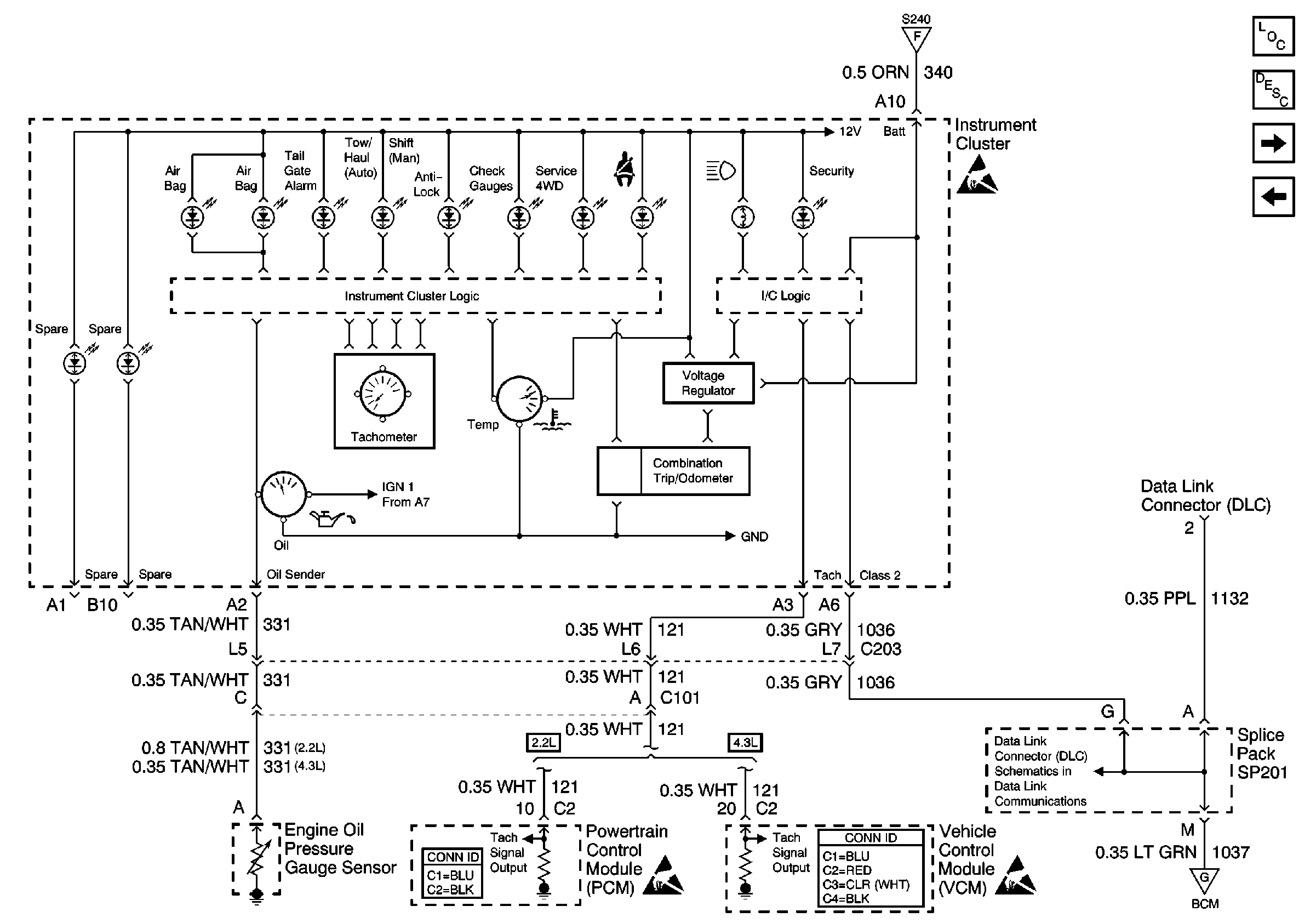
🢒 PCM/VCM, Data Link Connector (DLC), Engine Oil Pressure Gauge Sensor
PCM/VCM, Data Link Connector (DLC), Engine Oil Pressure Gauge Sensor
PCM/VCM, Data Link Connector (DLC), Engine Oil Pressure Gauge Sensor
Instrument Cluster Components
Instrument Cluster Description
RDO BATT Fuse, Liftglass Jamb Switch
Power
RDO BATT Fuse, Liftglass Jamb Switch
Handling ESD Sensitive Parts Notice
Powertrain Control Module Connector End Views
Handling ESD Sensitive Parts Notice
VCM Connector End Views
Handling ESD Sensitive Parts Notice
SP201 (2.2L)
RDO BATT Fuse, Liftglass Jamb Switch