GM Service Manual Online
For 1990-2009 cars only
Makes
🢒
Chevrolet
🢒
2000
🢒
S10 Pickup - 2WD
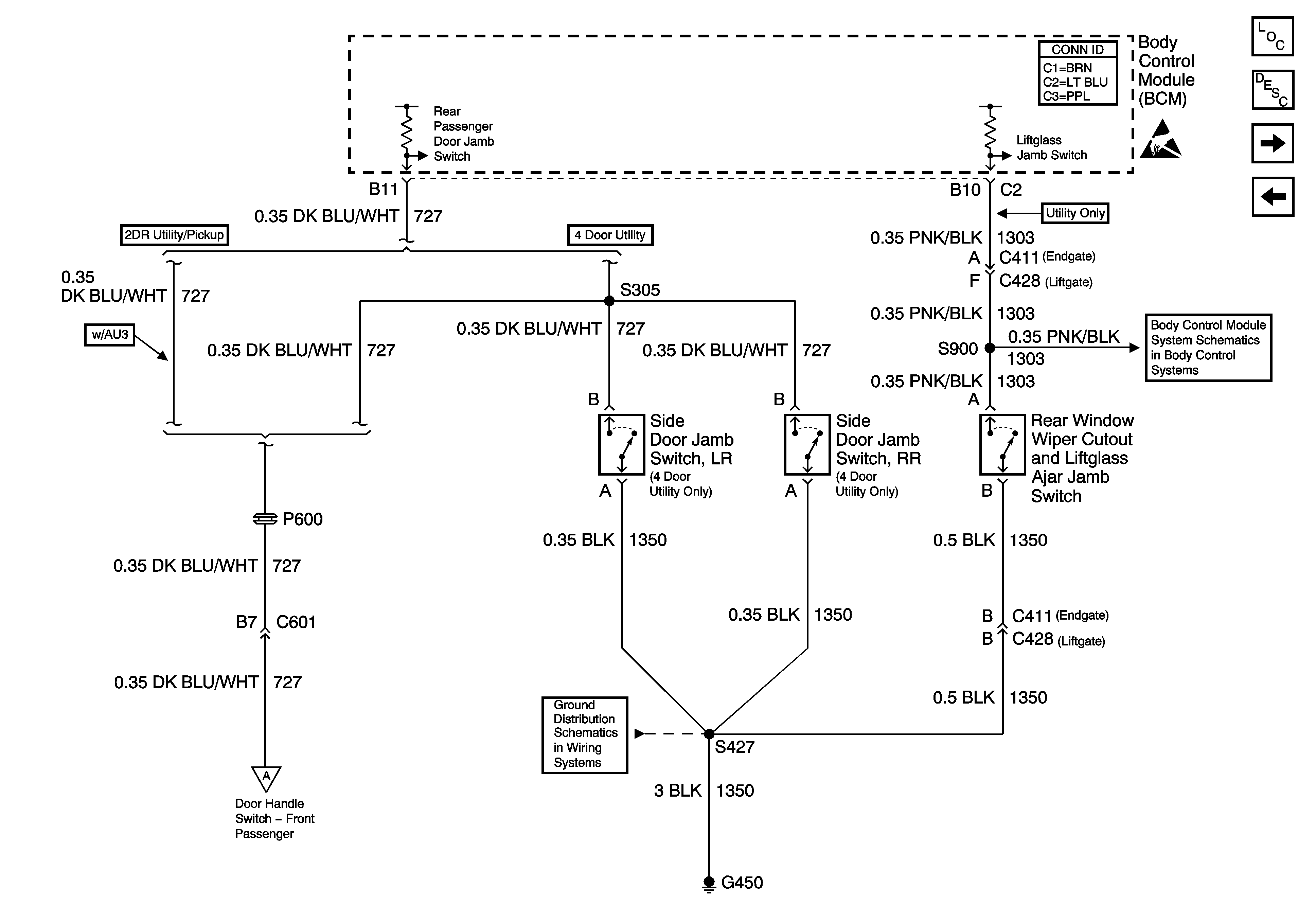
🢒 Rear Door Jamb and Liftglass Ajar Jamb Switches
Rear Door Jamb and Liftglass Ajar Jamb Switches
Rear Door Jamb and Liftglass Ajar Jamb Switches
Lighting Systems Components
Interior Lights Circuit Description
Inadvertent Power Relay
Front Door Jamb and Door Handle Switches
Body Control System Connector End Views
Body Control System Schematic Icons
Rear Jamb Switches, Ignition Key Alarm Switch
Front Door Jamb and Door Handle Switches
G420 and G450 (Utility w/ Endgate)