GM Service Manual Online
For 1990-2009 cars only
Makes
🢒
Chevrolet
🢒
2000
🢒
S10 Pickup - 2WD
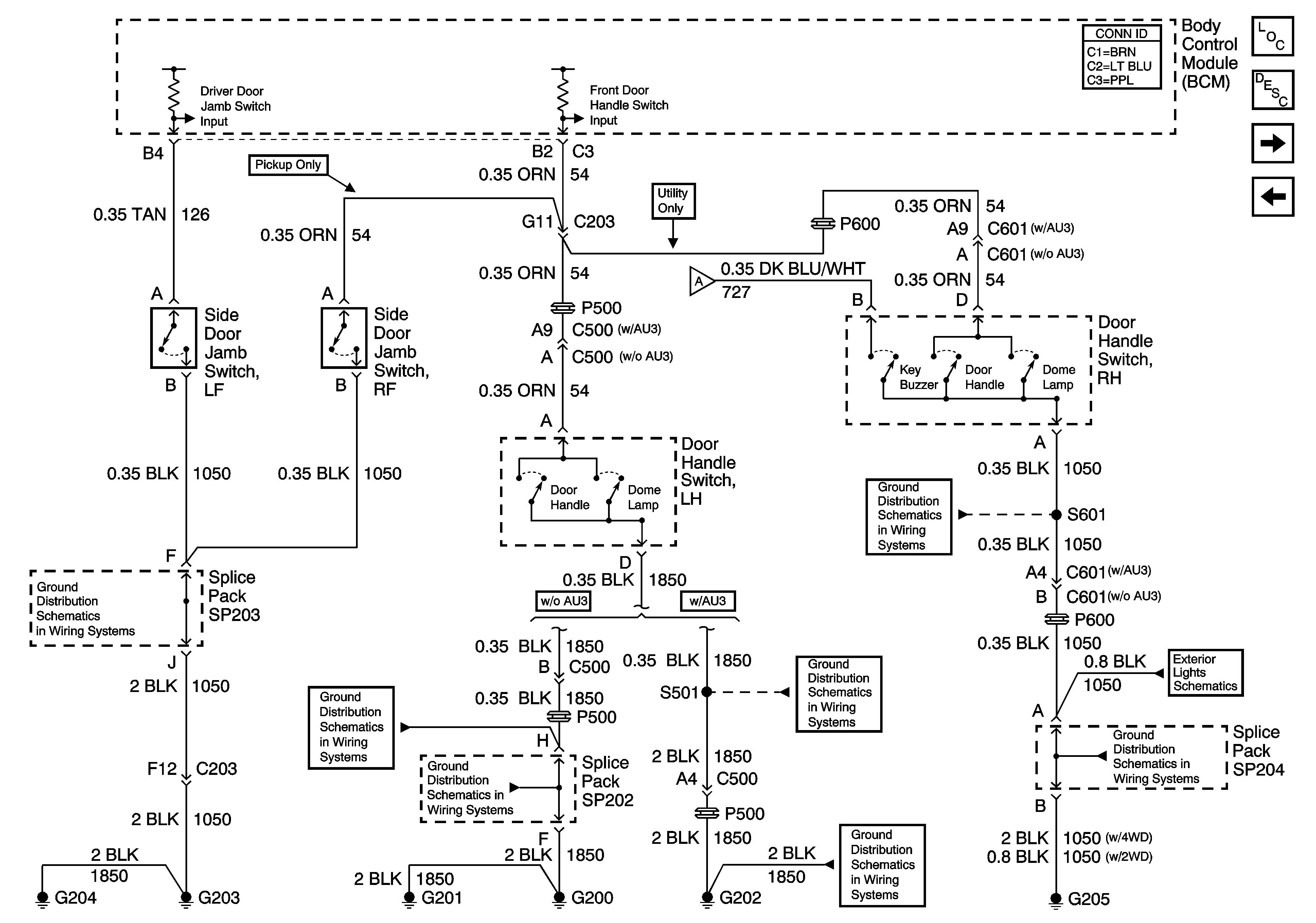
🢒 Front Door Jamb and Door Handle Switches
Front Door Jamb and Door Handle Switches
Front Door Jamb and Door Handle Switches
Lighting Systems Components
Interior Lights Circuit Description
Rear Door Jamb and Liftglass Ajar Jamb Switches
CTSY LP Fuse and Courtesy Lamp Relay
Body Control System Connector End Views
Handling ESD Sensitive Parts Notice
G203 and G204 (Utility w/ Automatic A/C)
G200, G201 and G207 (Utility)
G200, G201 and G207 (Utility)
Rear Door Jamb and Liftglass Ajar Jamb Switches
G205 and G206 (Utility)
G202 (Utility)
G202 (Utility)
Instrument Cluster Turn Signal Indicators
G205 and G206 (Utility)