GM Service Manual Online
For 1990-2009 cars only

Object Number: 623367  Size: LF
Handling ESD Sensitive Parts Notice
Engine Controls Components
Ignition Controls
OBD II Symbol Description Notice
Ground Distribution Schematics
Powertrain Control Module Connector End Views
Power Distribution Schematics
Power Distribution Schematics
Power Distribution Schematics
Power Distribution Schematics

Circuit Description

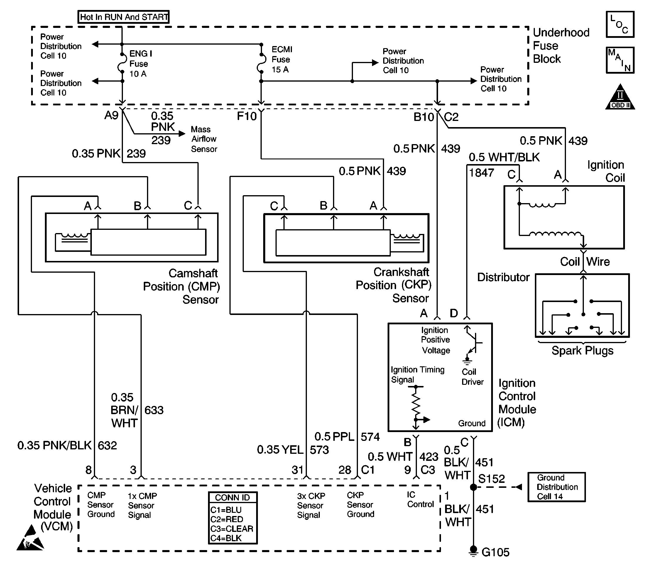
The enhanced ignition system uses the crankshaft position (CKP) sensor in order to provide a timing input to the control module. Ignition control (IC) spark timing for each cylinder is based on this input. The control module provides the ignition timing signal to the ignition control module (ICM) to control the ignition coil. Each timing pulse detected by the ICM allows it to energize the ignition coil. A large secondary ignition voltage is induced in the secondary coil by the primary coil. This high voltage is switched to the correct spark plug by the distributor.

This DTC will set if the VCM detects an unusually low voltage on the ignition timing signal circuit.

Conditions for Running the DTC

    • The ignition control is enabled.
    • The engine speed is less than 250 RPM.

Conditions for Setting the DTC

The ignition control voltage is less than 0.04 volts.

Action Taken When the DTC Sets

    • The control module illuminates the malfunction indicator lamp (MIL) if a failure is detected during 2 consecutive key cycles.
    • The control module sets the DTC and records the operating conditions at the time the diagnostic failed. The failure information is stored in the scan tool Freeze Frame/Failure Records.

Conditions for Clearing the MIL or DTC

    • The control module turns OFF the MIL after 3 consecutive drive trips when the test has run and passed.
    • A history DTC will clear if no fault conditions have been detected for 40 warm-up cycles. A warm-up cycle occurs when the coolant temperature has risen 22°C (40°F) from the startup coolant temperature and the engine coolant reaches a temperature that is more than 70°C (158°F) during the same ignition cycle.
    • Use a scan tool in order to clear the DTCs.

Diagnostic Aids

Check for the following condition:

Intermittent test -- If the connections and the harness check OK, connect a DMM between VCM connector C3 pin 9 and C4 pin 18 and monitor the voltage while moving related connectors and wiring harness. If the failure is induced, the voltage reading will change. This may help to isolate the malfunction.

An intermittent may be caused by any of the following conditions:

    • A poor connection
    • Rubbed through wire insulation
    • A broken wire inside the insulation

Thoroughly inspect any circuitry that is suspected of causing the intermittent complaint. Refer to Testing for Intermittent Conditions and Poor Connections in Wiring Systems.

If a repair is necessary, refer to Wiring Repairs or Connector Repairs in Wiring Systems.

Test Description

The numbers below refer to the step numbers on the diagnostic table.

  1. This determines if the DTC is an intermittent.

  2. This step determines if the IC signal from the VCM is available at the ignition control module.

Step

Action

Values

Yes

No

1

Did you perform the Powertrain On-Board Diagnostic (OBD) System Check?

--

Go to Step 2

Go to Powertrain On Board Diagnostic (OBD) System Check

2

  1. Clear the DTCs.
  2. Disconnect the injector harness connector.
  3. Crank the engine for 15  seconds.

Does DTC P1361 set?

--

Go to Step 3

Go to Diagnostic Aids

3

  1. Turn OFF the ignition.
  2. Reconnect the injector harness connector.
  3. Disconnect the ignition control module harness connector.
  4. Probe the ignition control module harness connector terminal B with a DMM set to the AC scale.
  5. Crank the engine.
  6. Observe the voltage.

Is the voltage reading within the specified value?

1-4 V

Go to Step 6

Go to Step 4

4

  1. Turn OFF the ignition.
  2. Disconnect the VCM C3 connector.
  3. Probe the VCM C3 connector pin 9 with a test lamp connected to B+.

Is the test lamp ON?

--

Go to Step 5

Go to Step 11

5

Repair the short to ground in the IC control circuit. Refer to Wiring Repairs in Wiring Systems.

Is the action complete?

--

Go to Step 12

--

6

  1. Turn OFF the ignition.
  2. Probe the ignition control module harness connector terminal C with a test lamp connected to B+.

Is the test lamp ON?

--

Go to Step 8

Go to Step 7

7

Repair the open ignition control module ground circuit. Refer to Wiring Repairs in Wiring Systems.

Is the action complete?

--

Go to Step 12

--

8

Check for a poor ignition control module connection.

Did you find a problem?

--

Go to Step 10

Go to Step 9

9

Replace the ignition control module. Refer to Ignition Coil and Ignition Coil Module Replacement in Engine Electrical.

Is the action complete?

--

Go to Step 12

--

10

Repair the circuit as necessary. Refer to Connector Repairs or Wiring Repairs in Wiring Systems.

Is the action complete?

--

Go to Step 12

--

11

Important: The replacement VCM must be programmed.

Replace the VCM. Refer to VCM Replacement/Programming .

Is the action complete?

--

Go to Step 12

--

12

  1. Use the scan tool in order to Clear the DTCs.
  2. Start the engine.
  3. Allow the engine to idle until the engine reaches normal operating temperature.
  4. Select DTC and the Specific DTC function.
  5. Enter the DTC number which was set.
  6. Operate the vehicle within the Conditions for Setting this DTC, until the scan tool indicates that the diagnostic Ran.

Does the scan tool indicate that the diagnostic Passed?

--

Go to Step 13

Go to Step 2

13

Does the scan tool display any additional undiagnosed DTCs?

--

Go to applicable DTC

System OK