GM Service Manual Online
For 1990-2009 cars only
Makes
🢒
Chevrolet
🢒
2000
🢒
S10 Pickup - 2WD
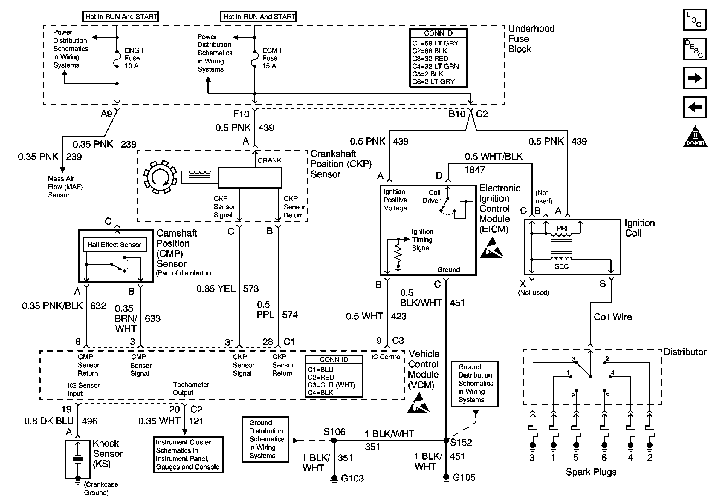
🢒 Ignition Controls
Ignition Controls
Ignition Controls
Engine Controls Components
Information Sensors/Switches Description
Fuel Level Sensor
Vehicle Speed Sensor (VSS)
OBD II Symbol Description Notice
ENG I and OXYSEN Fuses
ECM I Fuse
Power and Grounding Connector End Views
MAF Sensor and IAC Valve
Handling ESD Sensitive Parts Notice
PCM/VCM, Data Link Connector (DLC), Engine Oil Pressure Gauge Sensor
VCM Connector End Views
G103 and G105 (4.3L)
Handling ESD Sensitive Parts Notice
G103 and G105 (4.3L)