GM Service Manual Online
For 1990-2009 cars only
Makes
🢒
Chevrolet
🢒
1999
🢒
S10 - Electric
🢒 Cell 21: Heated Oxygen Sensors
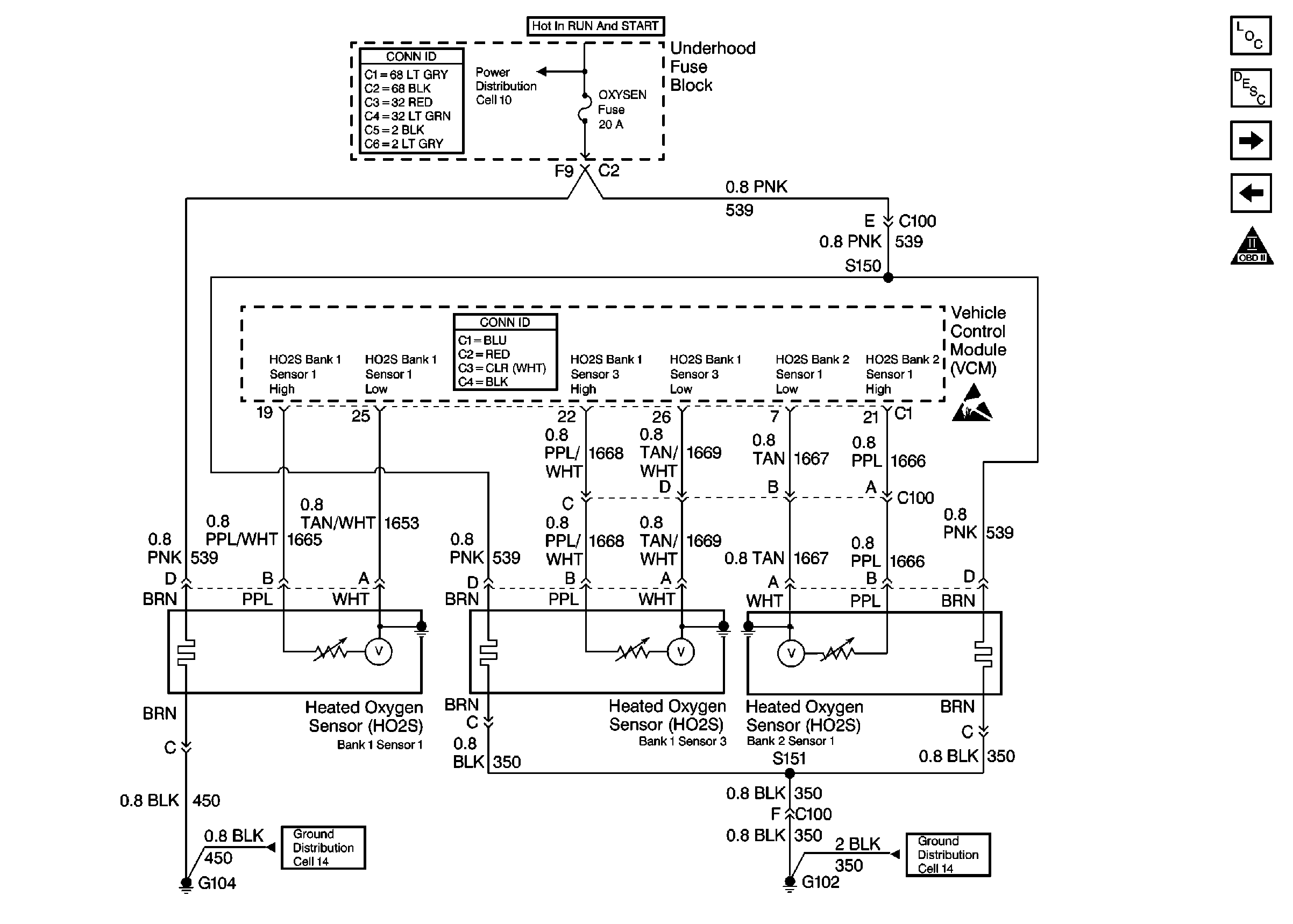
Cell 21: Heated Oxygen Sensors
Cell 21: Heated Oxygen Sensors
Power and Grounding Connector End Views
Cell 10: IGN C, IGN A Fuses and Ignition Switch
VCM Connector End Views
Handling ESD Sensitive Parts Notice
Engine Controls Components
Vehicle Control Module Description
Cell 21: MAF Sensor and IAC Valve
Cell 21: MAP, IAT, ECT, TP and Fuel Tank Pressure Sensors
OBD II Symbol Description Notice
Cell 14: G104 and G117
Cell 14: G205 and G206