GM Service Manual Online
For 1990-2009 cars only
Makes
🢒
Chevrolet
🢒
1999
🢒
S10 - Electric
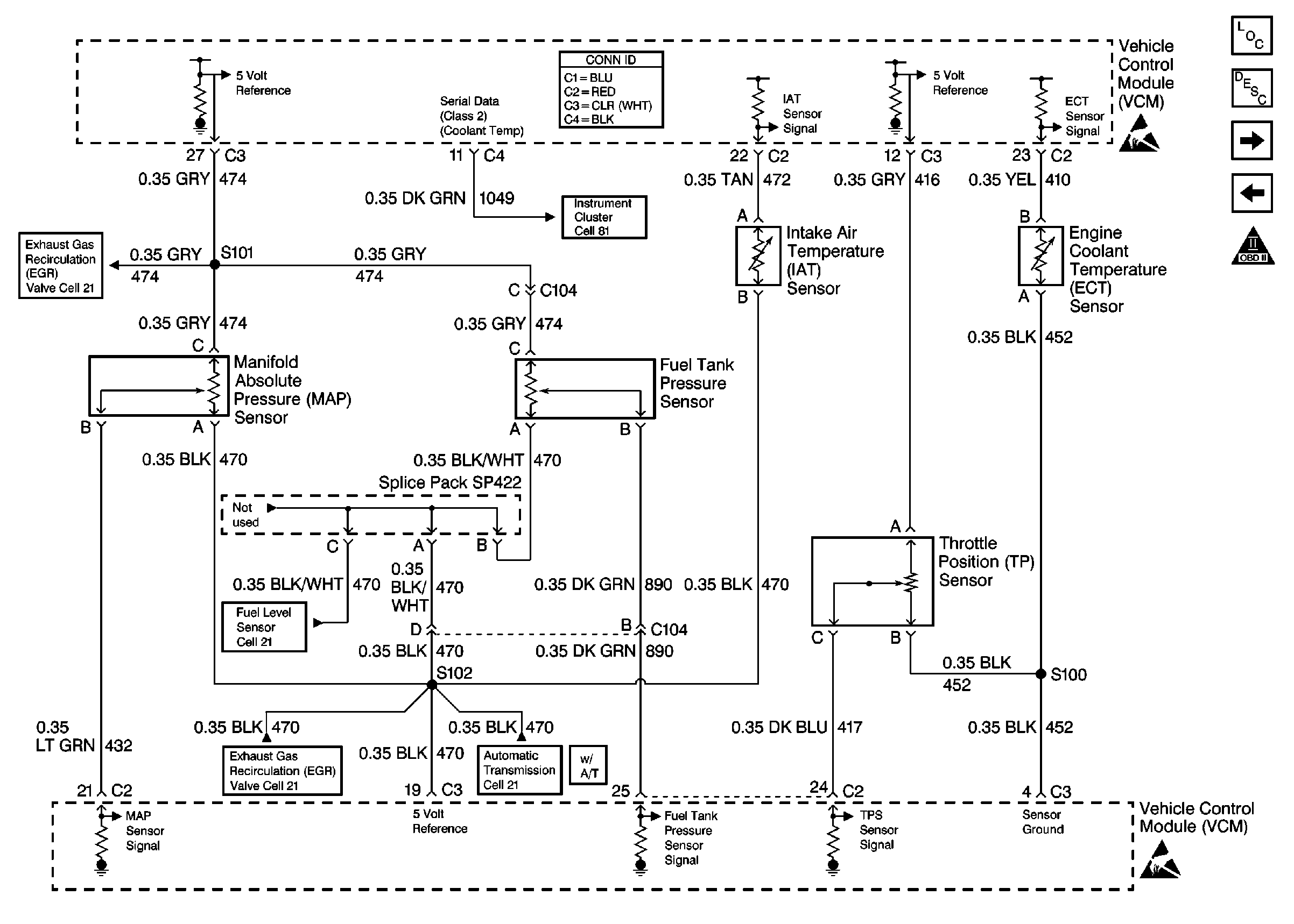
🢒 Cell 21: MAP, IAT, ECT, TP and Fuel Tank Pressure Sensors
Cell 21: MAP, IAT, ECT, TP and Fuel Tank Pressure Sensors
Cell 21: MAP, IAT, ECT, TP and Fuel Tank Pressure Sensors
VCM Connector End Views
Cell 21: EGR and EVAP Valves
Cell 81: CRANK Fuse and VSS Input
Handling ESD Sensitive Parts Notice
Engine Controls Components
Vehicle Control Module Description
Cell 21: Heated Oxygen Sensors
Cell 21: Fuel Injection Controls
OBD II Symbol Description Notice
Handling ESD Sensitive Parts Notice
Cell 21: Automatic Transmission Valve Controls
Cell 21: EGR and EVAP Valves
Cell 21: Fuel Pump and Sender