GM Service Manual Online
For 1990-2009 cars only
Makes
🢒
Chevrolet
🢒
1999
🢒
S10 - Electric
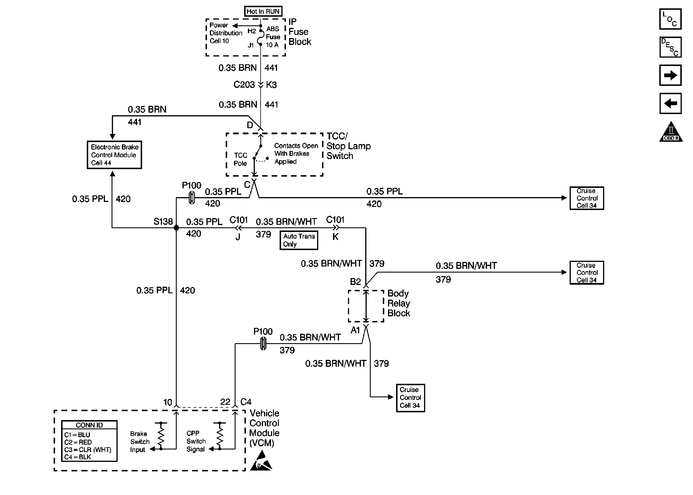
🢒 Cell 21: TCC/Stop Lamp Switch Input
Cell 21: TCC/Stop Lamp Switch Input
Cell 21: TCC/Stop Lamp Switch Input
Engine Controls Components
Vehicle Control Module Description
Cell 21: Vehicle Speed Outputs and Driver Information Display
Cell 21: EGR and EVAP Valves
OBD II Symbol Description Notice
Cell 10: STUD 2, ABS and TBC Fuses
Cell 44: Power and Ground
Cell 34: Clutch Pedal Position Switch and TCC/Stop Lamp Switch
Cell 34: Clutch Pedal Position Switch and TCC/Stop Lamp Switch
Cell 34: Clutch Pedal Position Switch and TCC/Stop Lamp Switch
Handling ESD Sensitive Parts Notice
VCM Connector End Views