GM Service Manual Online
For 1990-2009 cars only
Makes
🢒
Chevrolet
🢒
1999
🢒
S10 - Electric
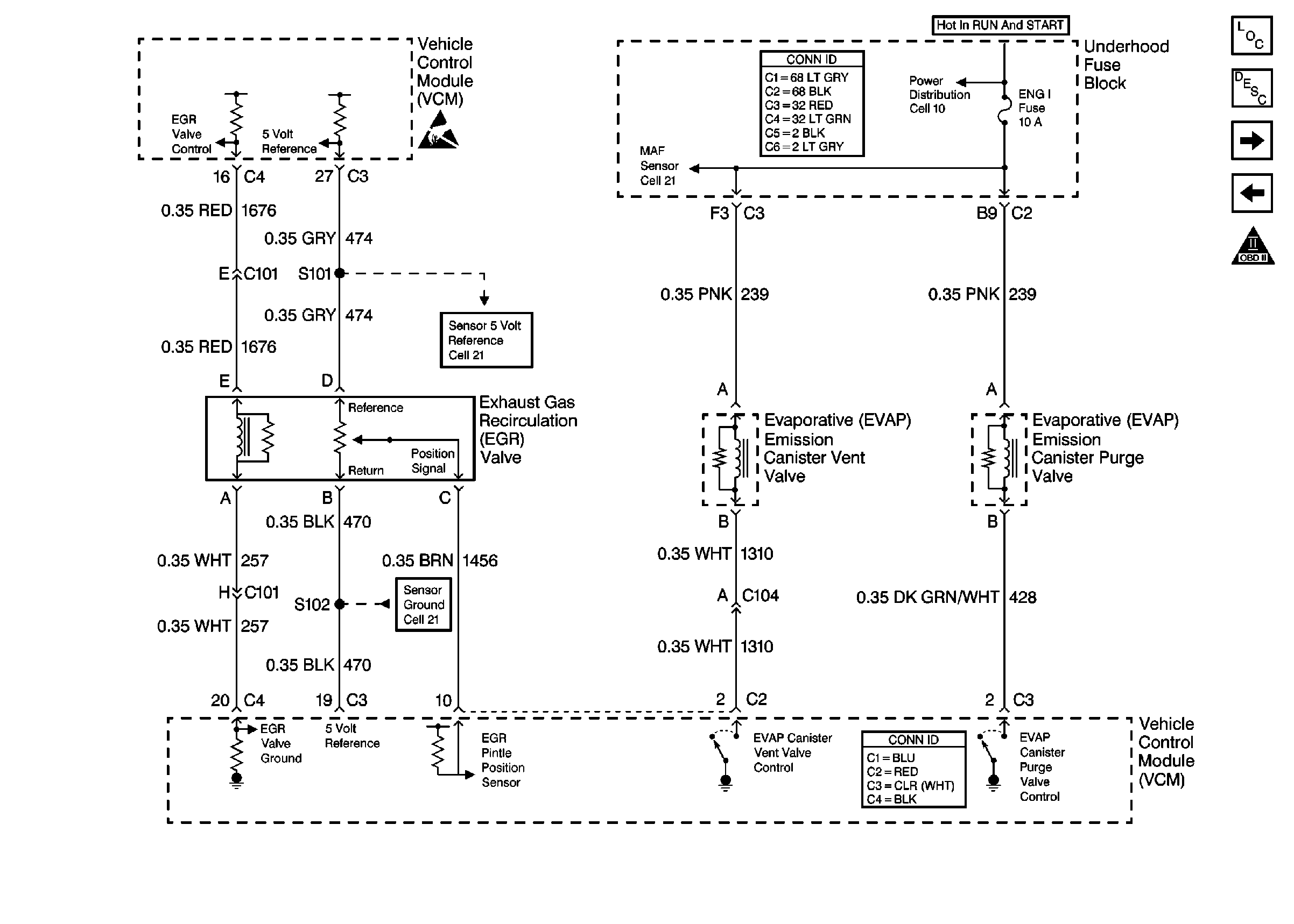
🢒 Cell 21: EGR and EVAP Valves
Cell 21: EGR and EVAP Valves
Cell 21: EGR and EVAP Valves
Cell 21: MAP, IAT, ECT, TP and Fuel Tank Pressure Sensors
Cell 21: Vehicle Speed Sensor
VCM Connector End Views
Cell 21: MAF Sensor and IAC Valve
Power and Grounding Connector End Views
Cell 10: ENG I and OXYSEN Fuses
Engine Controls Components
Vehicle Control Module Description
Cell 21: TCC/Stop Lamp Switch Input
Cell 21: Vehicle Speed Sensor
OBD II Symbol Description Notice
Handling ESD Sensitive Parts Notice