GM Service Manual Online
For 1990-2009 cars only
Makes
🢒
Chevrolet
🢒
1999
🢒
S10 - Electric
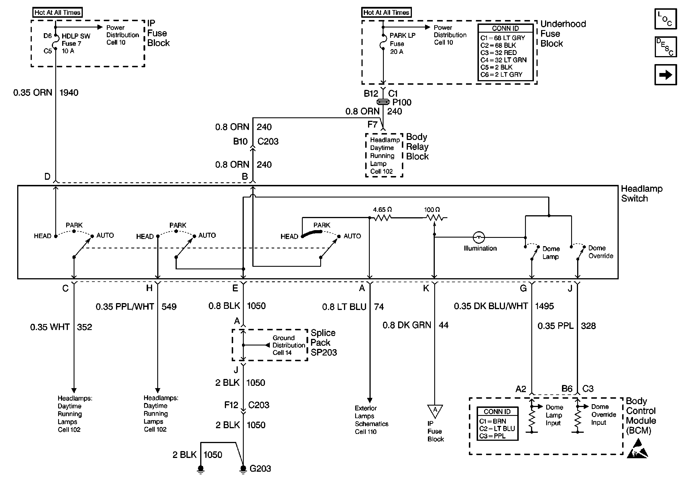
🢒 Cell 117: Headlamp Switch
Cell 117: Headlamp Switch
Cell 117: Headlamp Switch
Cell 10: AUX PWR, RDO BAT, HDLP SW Fuses and Inadvertent Power Lamp Relay
Cell 10: PARK LP, ILLUM Fuses and Park Lamp, Headlamp Grounding Relays
Power and Grounding Connector End Views
Lighting Systems Components
Interior Lights Dimming Circuit Description
Cell 117: ILLUM Fuse 12
Cell 102: Headlamp Grounding Relay and Flash-To-Pass Switch
Cell 102: Headlamp Switch, Ambient Light Sensor and BCM
Cell 102: Headlamp Switch, Ambient Light Sensor and BCM
Cell 14: G203 and G204
Cell 110: PARK LP Fuse and Park Lamp Relay
Cell 117: ILLUM Fuse 12
Body Control System Connector End Views
Handling ESD Sensitive Parts Notice