GM Service Manual Online
For 1990-2009 cars only
Makes
🢒
Chevrolet
🢒
2003
🢒
SSR
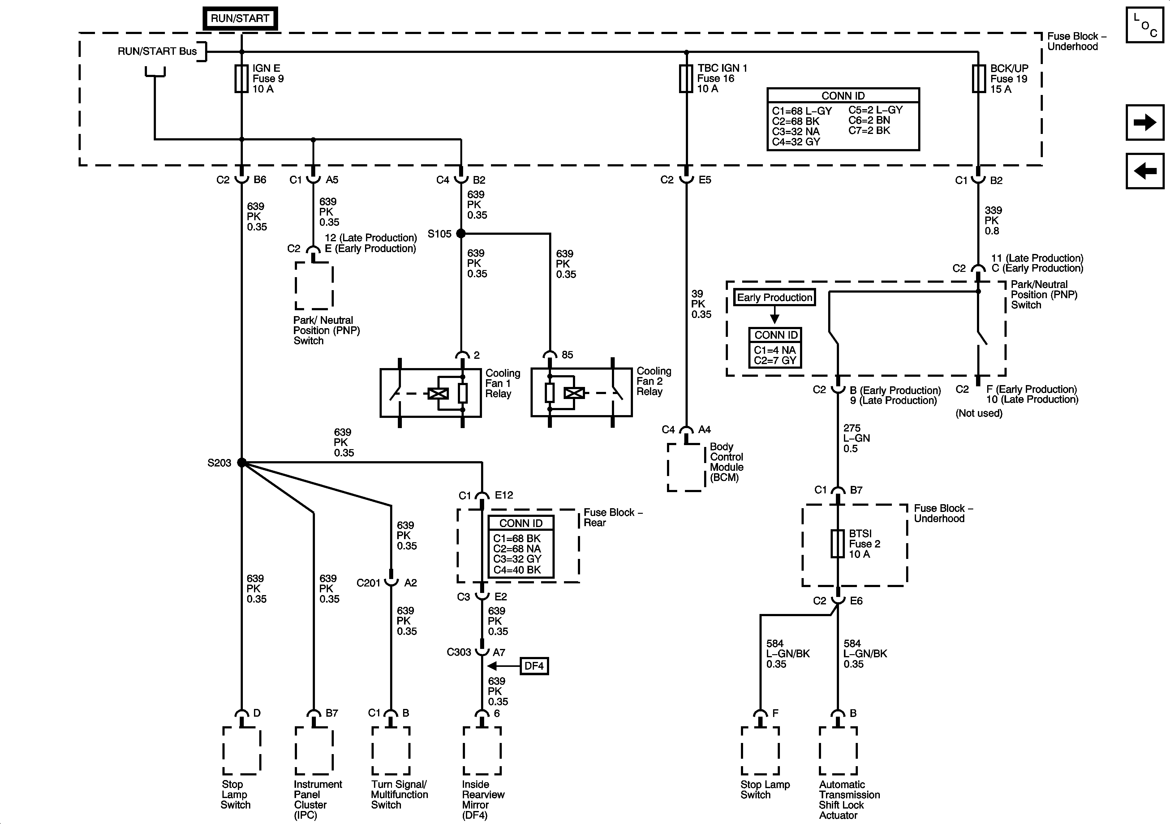
🢒 IGN E, TBC IGN 1, BACK UP and BTSI Fuses
IGN E, TBC IGN 1, BACK UP and BTSI Fuses
IGN E, TBC IGN 1, BACK UP and BTSI Fuses
Master Electrical Component List
PCM I, SIR, O2 A, O2 B AND ENG I Fuses
IGN 0, TBC IG, TBC 4CC and FT WPR Fuses
ACCY/RUN and RUN/START BUS BAR