GM Service Manual Online
For 1990-2009 cars only
Makes
🢒
Chevrolet
🢒
2003
🢒
SSR
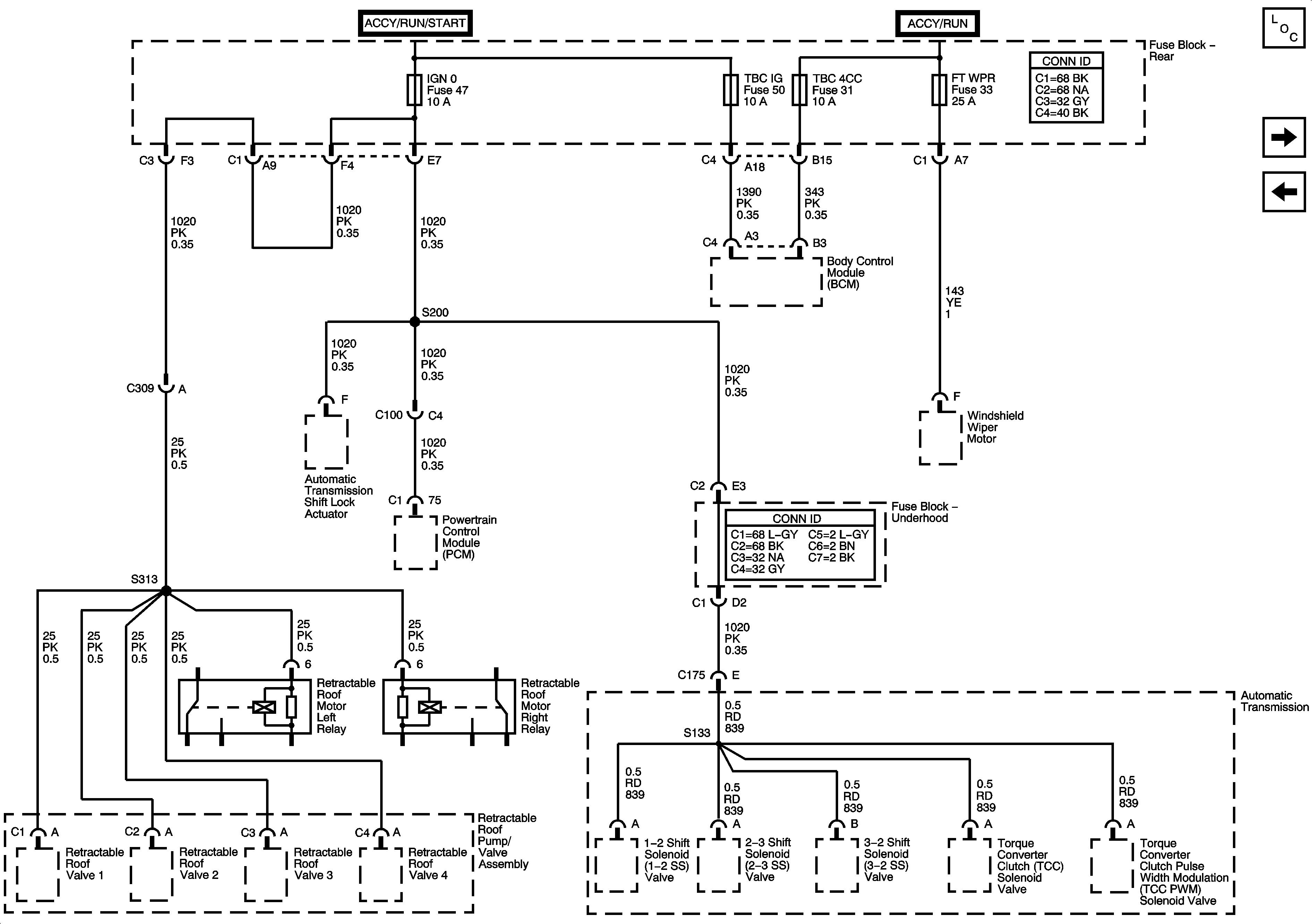
🢒 IGN 0, TBC IG, TBC 4CC and FT WPR Fuses
IGN 0, TBC IG, TBC 4CC and FT WPR Fuses
IGN 0, TBC IG, TBC 4CC and FT WPR Fuses
Master Electrical Component List
IGN E, TBC IGN 1, BACK UP and BTSI Fuses
L-ST/TRN, R-ST/TRN, L/TURN and R/TURN Fuses