GM Service Manual Online
For 1990-2009 cars only
Makes
🢒
Chevrolet
🢒
2003
🢒
SSR
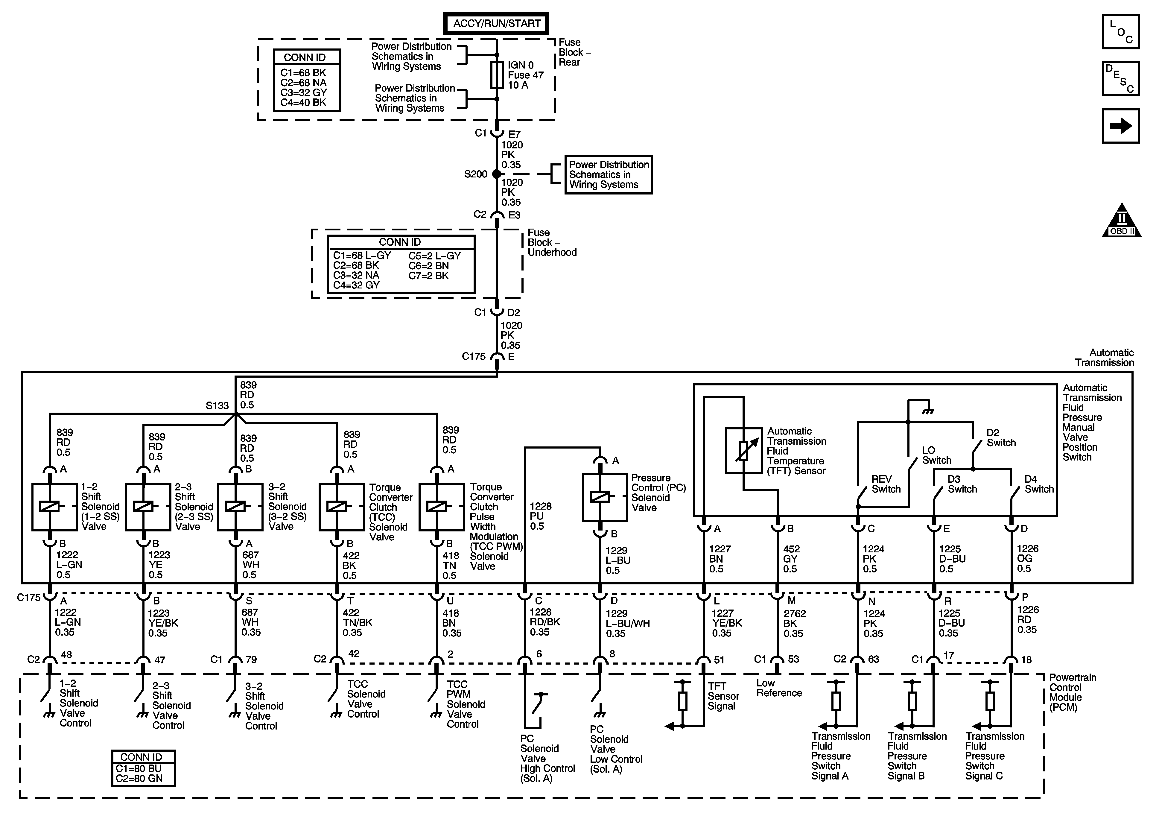
🢒 Power and Internal Transmission Valve Switches
Power and Internal Transmission Valve Switches
Power and Internal Transmission Valve Switches
Master Electrical Component List
Transmission Component and System Description
Park/Neutral Position (PNP) Switch and VSS Sensor
OBD II Symbol Description Notice
ACCY/RUN and RUN/START BUS BAR
IGN 0, TBC IG, TBC 4CC and FT WPR Fuses
IGN 0, TBC IG, TBC 4CC and FT WPR Fuses