GM Service Manual Online
For 1990-2009 cars only
Makes
🢒
Chevrolet
🢒
2003
🢒
SSR
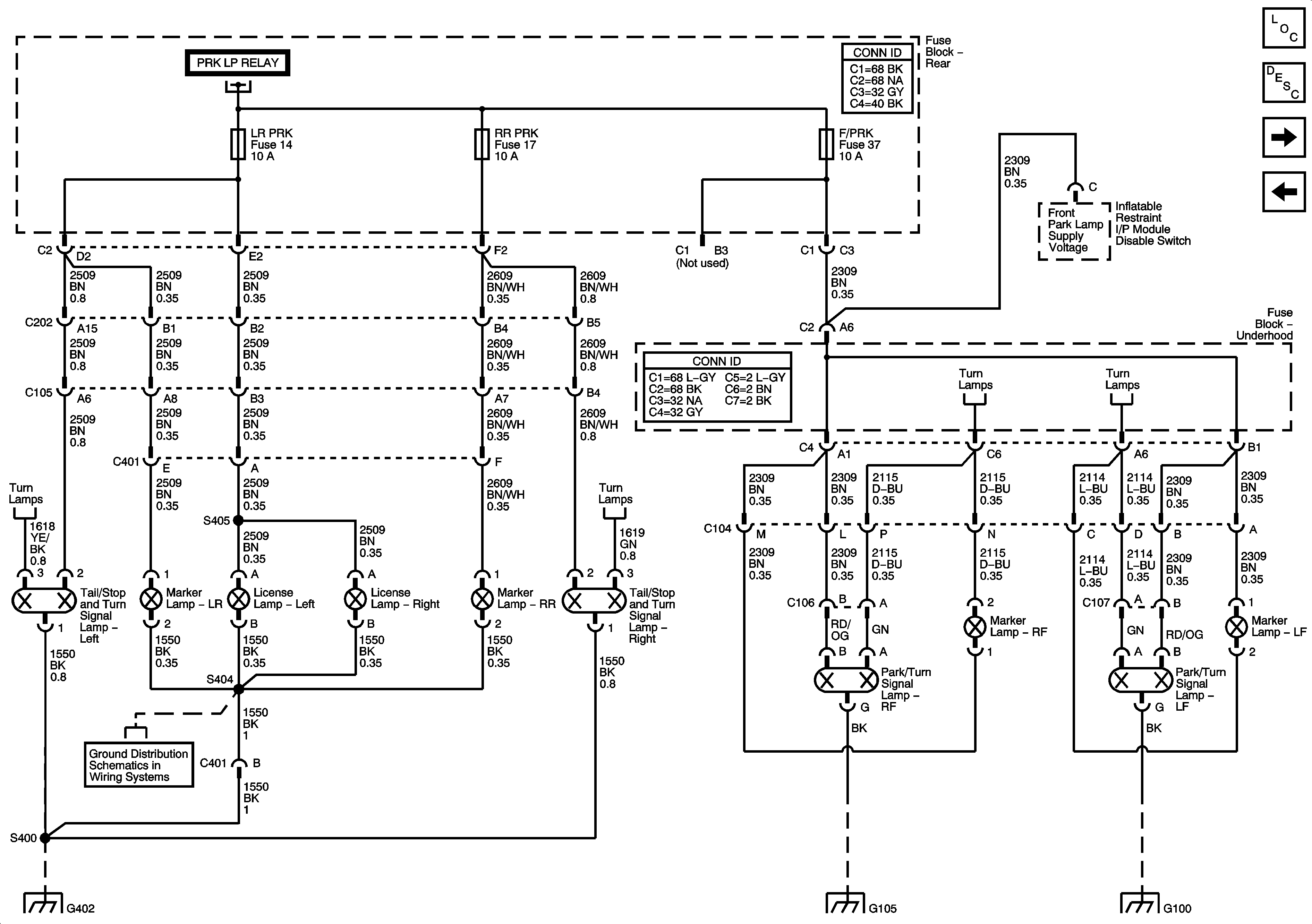
🢒 Park Lamps
Park Lamps
Park Lamps
Master Electrical Component List
Exterior Lighting Systems Description and Operation
Stop Lamps
Turn Signal Lamps
LR PRK, RR PRK, F/PRK and TR PRK Fuses, and SEATS Circuit Breaker
Turn Signal Lamps
Turn Signal Lamps
Turn Signal Lamps
Turn Signal Lamps
G400, G401, G402, G403, G404, G405
G400, G401, G402, G403, G404, G405
G105
G400, G401, G402, G403, G404, G405