GM Service Manual Online
For 1990-2009 cars only
Makes
🢒
Chevrolet
🢒
2003
🢒
SSR
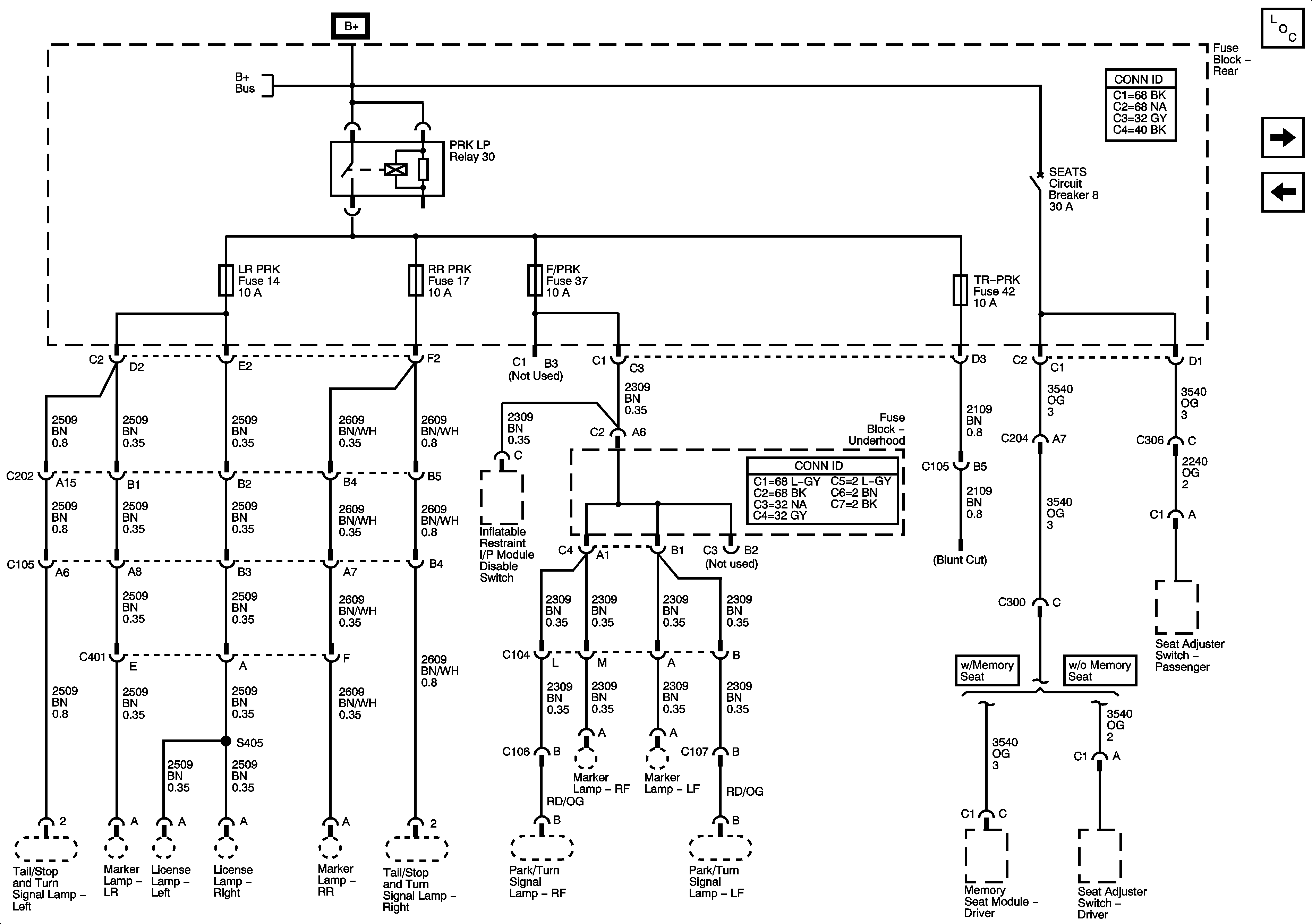
🢒 LR PRK, RR PRK, F/PRK and TR PRK Fuses, and SEATS Circuit Breaker
LR PRK, RR PRK, F/PRK and TR PRK Fuses, and SEATS Circuit Breaker
LR PRK, RR PRK, F/PRK and TR PRK Fuses, SEATS Circuit Breakers
Master Electrical Component List
L-ST/TRN, R-ST/TRN, L/TURN and R/TURN Fuses
RKE, DDM and AMP Fuses, ROOF PUMP and ROOF-DOOR MOD Circuit Breakers
B+ Bus - Fuse Block - Rear