GM Service Manual Online
For 1990-2009 cars only
Makes
🢒
Chevrolet
🢒
2003
🢒
SSR
🢒 Vehicle Theft Deterrent
Vehicle Theft Deterrent
Vehicle Theft Deterrent
Master Electrical Component List
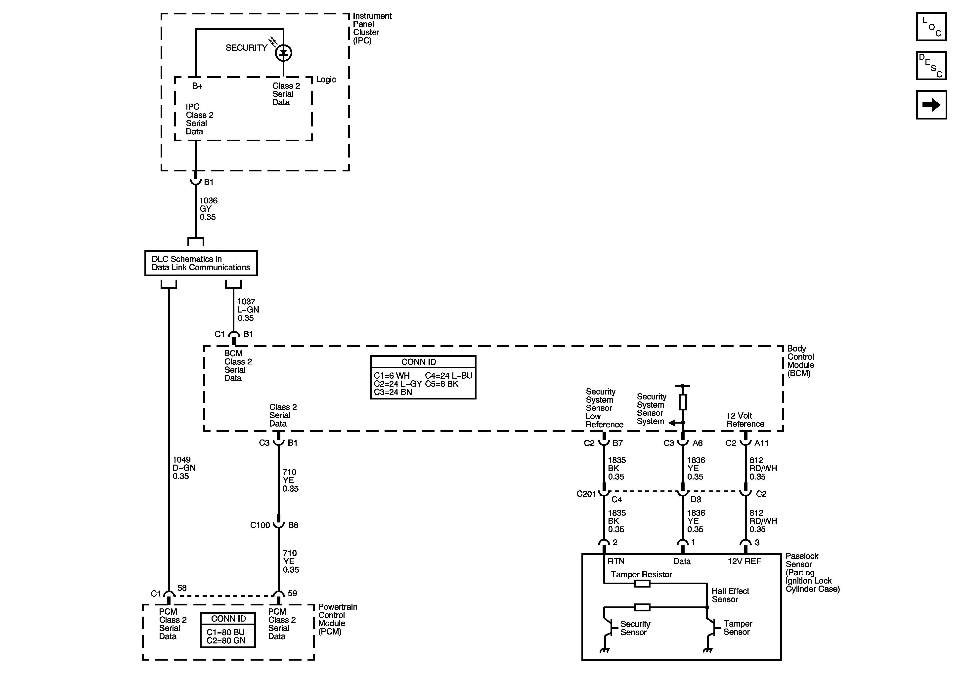
Vehicle Theft Deterrent (VTD) Description and Operation
Content Theft Deterrent
Data Link Connector (DLC) Schematics