GM Service Manual Online
For 1990-2009 cars only
Makes
🢒
Chevrolet
🢒
2003
🢒
SSR
🢒 Body Rear End Schematics
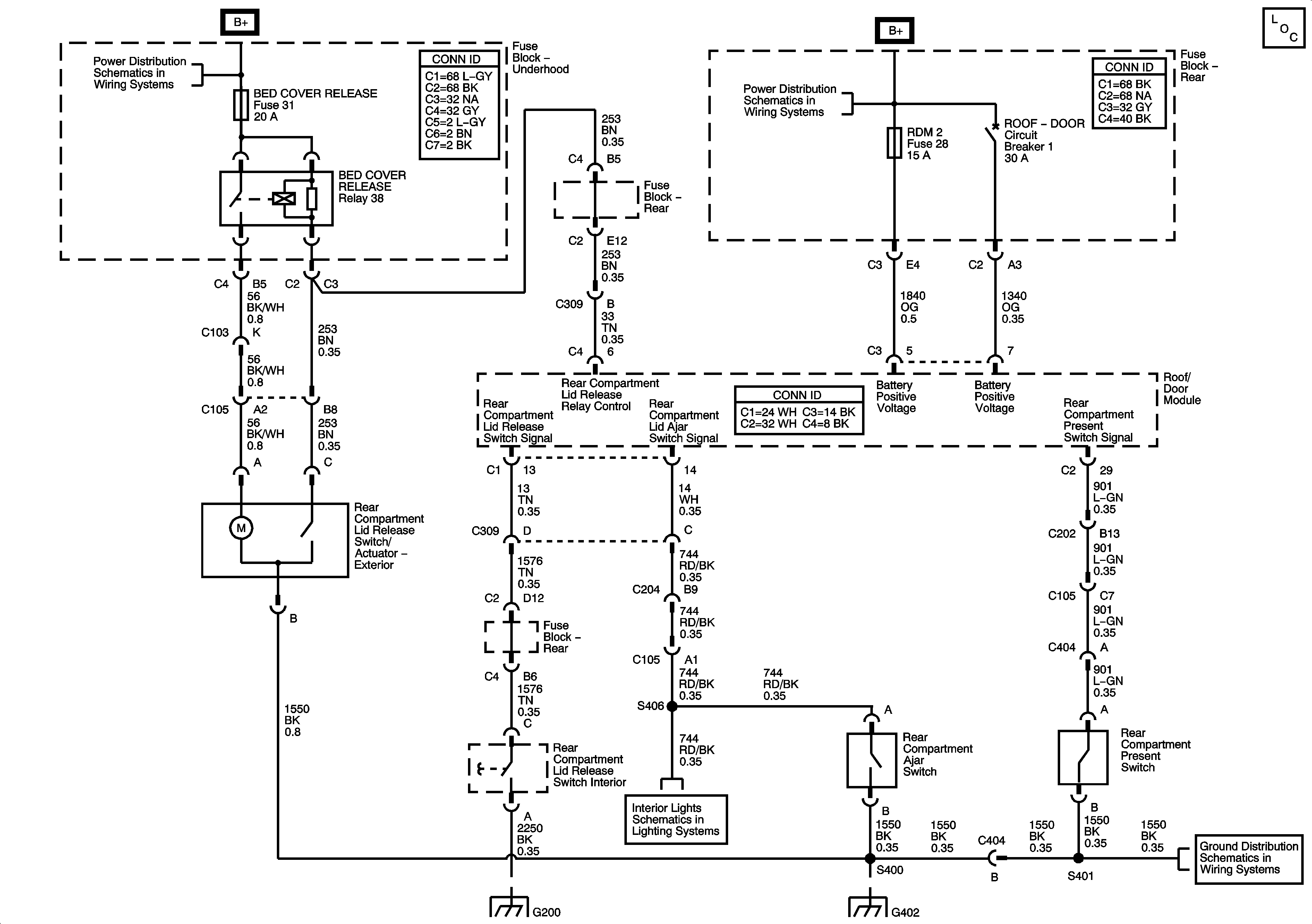
Body Rear End Schematics
Master Electrical Component List
B+ BUS - Fuse Block Underhood
B+ Bus - Fuse Block - Rear
G200
G400, G401, G402, G403, G404, G405
G400, G401, G402, G403, G404, G405