GM Service Manual Online
For 1990-2009 cars only
Makes
🢒
Chevrolet
🢒
2003
🢒
SSR
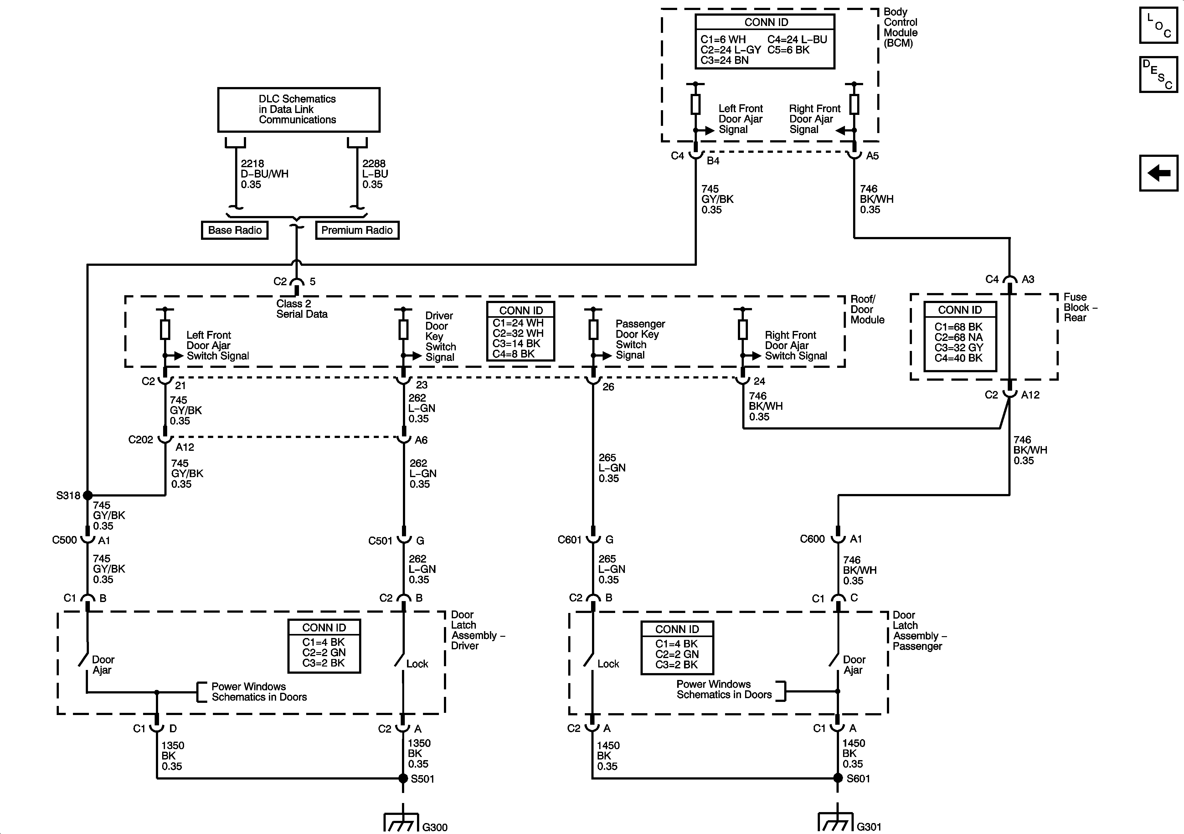
🢒 Door Ajar Switches
Door Ajar Switches
Door Ajar Switches
Master Electrical Component List
Interior Lighting Systems Description and Operation
Interior Lights Schematics
Data Link Connector (DLC) Schematics
G300
G301, G302