GM Service Manual Online
For 1990-2009 cars only
Makes
🢒
Chevrolet
🢒
2004
🢒
SSR
🢒
Engine
🢒
Engine Electrical
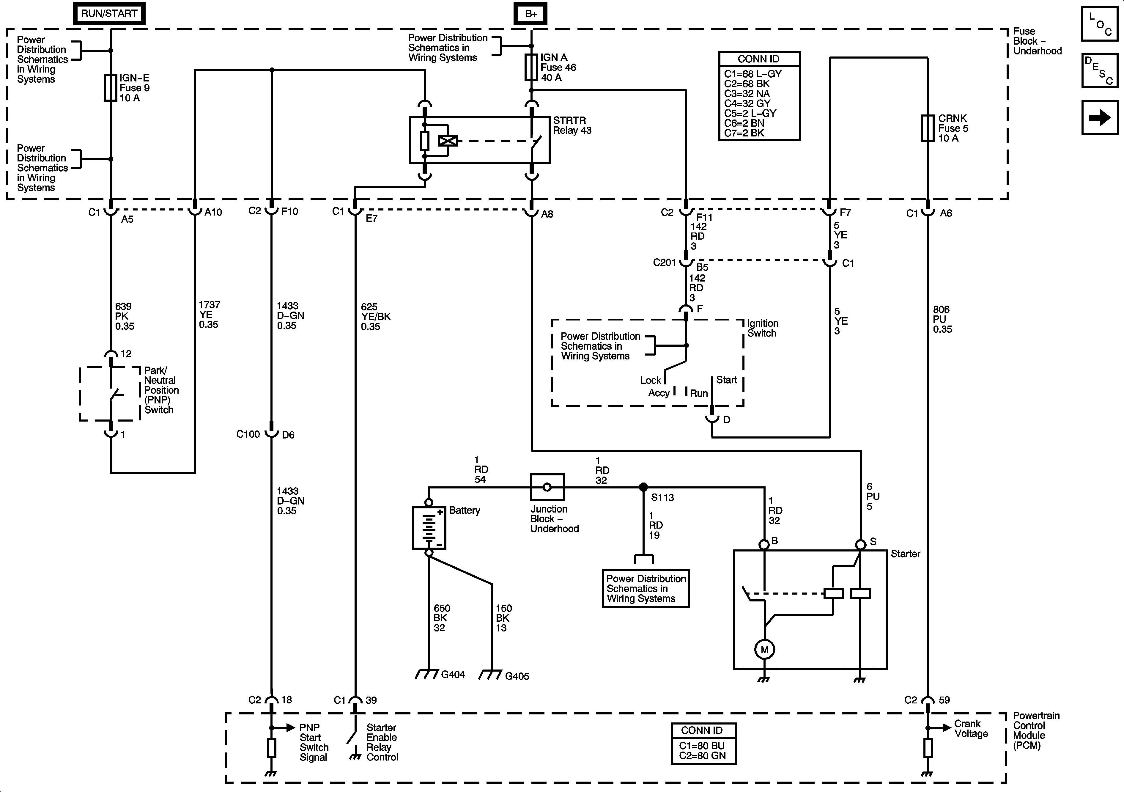
🢒 Starting and Charging Schematics
Figure
1:
Starting System
Master Electrical Component List
Starting System Description and Operation
Engine Electrical - Charging System
ACCY/RUN and RUN/START Bus Bar
IGN E, TBC IGN 1, BCK/UP and BTSI
B+ Bus - Fuse Block Underhood
B+ Bus - Fuse Block Underhood
Figure
2:
Charging System
Master Electrical Component List
Starting System Description and Operation
Engine Electrical - Starting System
B+ Bus - Fuse Block Underhood
Data Link Connector