GM Service Manual Online
For 1990-2009 cars only
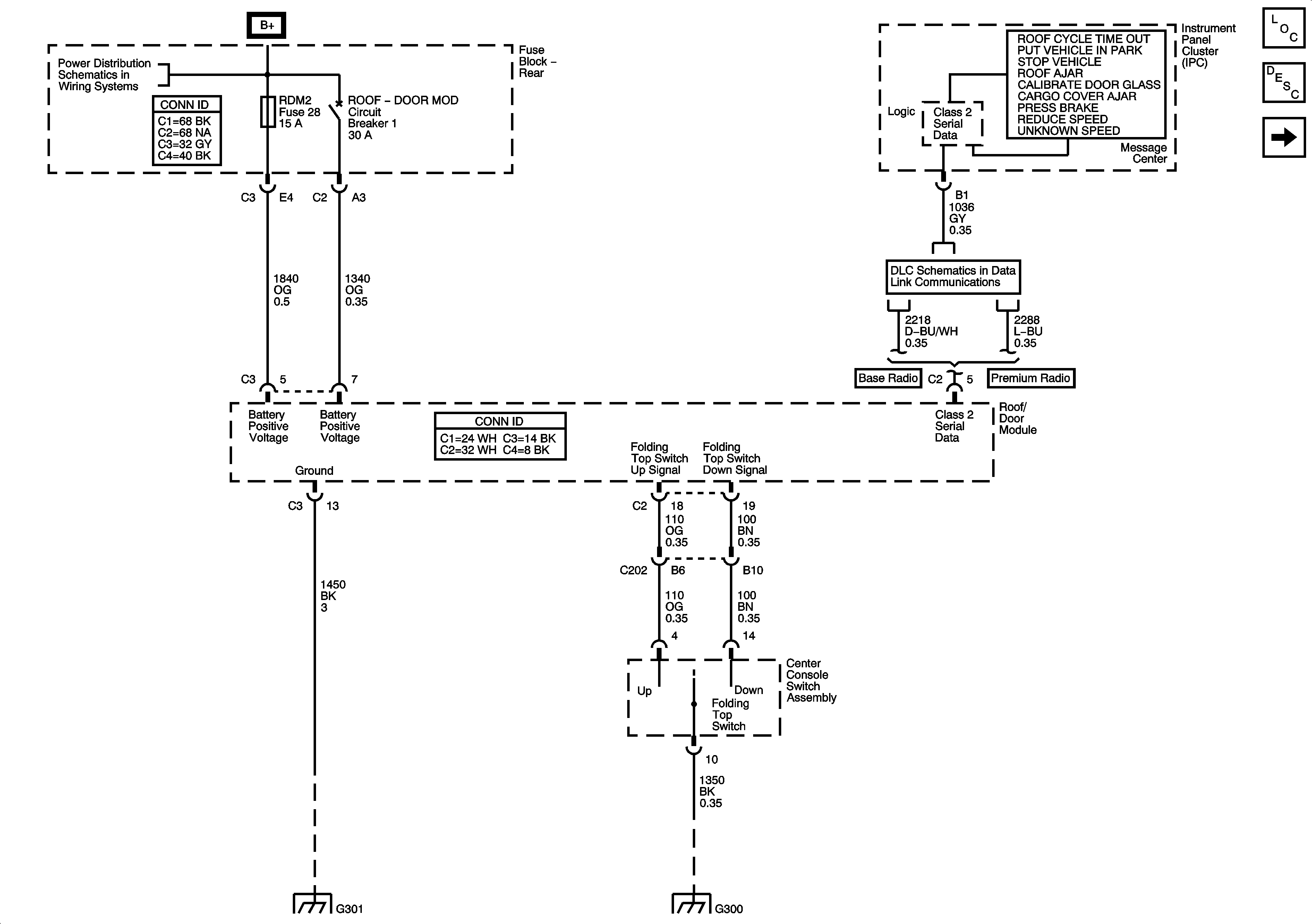
Figure 1:

Power, Ground, Serial Data and Retractable Roof Switch


Object Number: 1420354  Size: FS
Master Electrical Component List
Power Folding Top Description and Operation
Folding Top Pump Motor Assembly and Relays
B+ Bus - Fuse Block Rear
Data Link Connector
G301, G302
G300
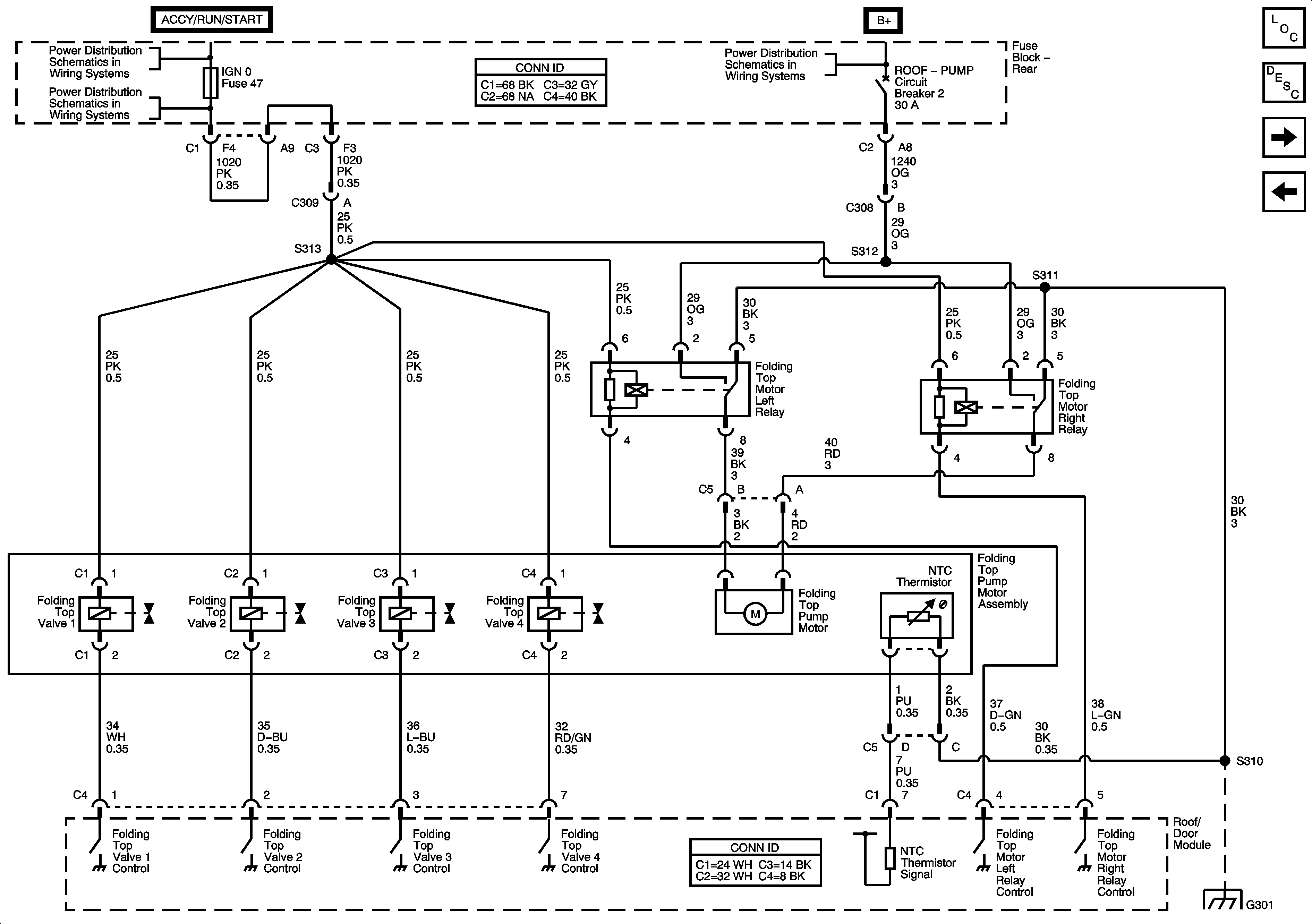
Figure 2:

Retractable Roof Pump/Valve Assembly and Relays


Object Number: 1420366  Size: FS
Master Electrical Component List
Power Folding Top Description and Operation
Sensors
Power, Ground, Serial Data and Folding Top Switch
ACCY/RUN/START, RUN and START Bus Bars
IGN0, TBCIG, TBC 4CC, FT WPR Fuses
B+ Bus - Fuse Block Rear
G301, G302
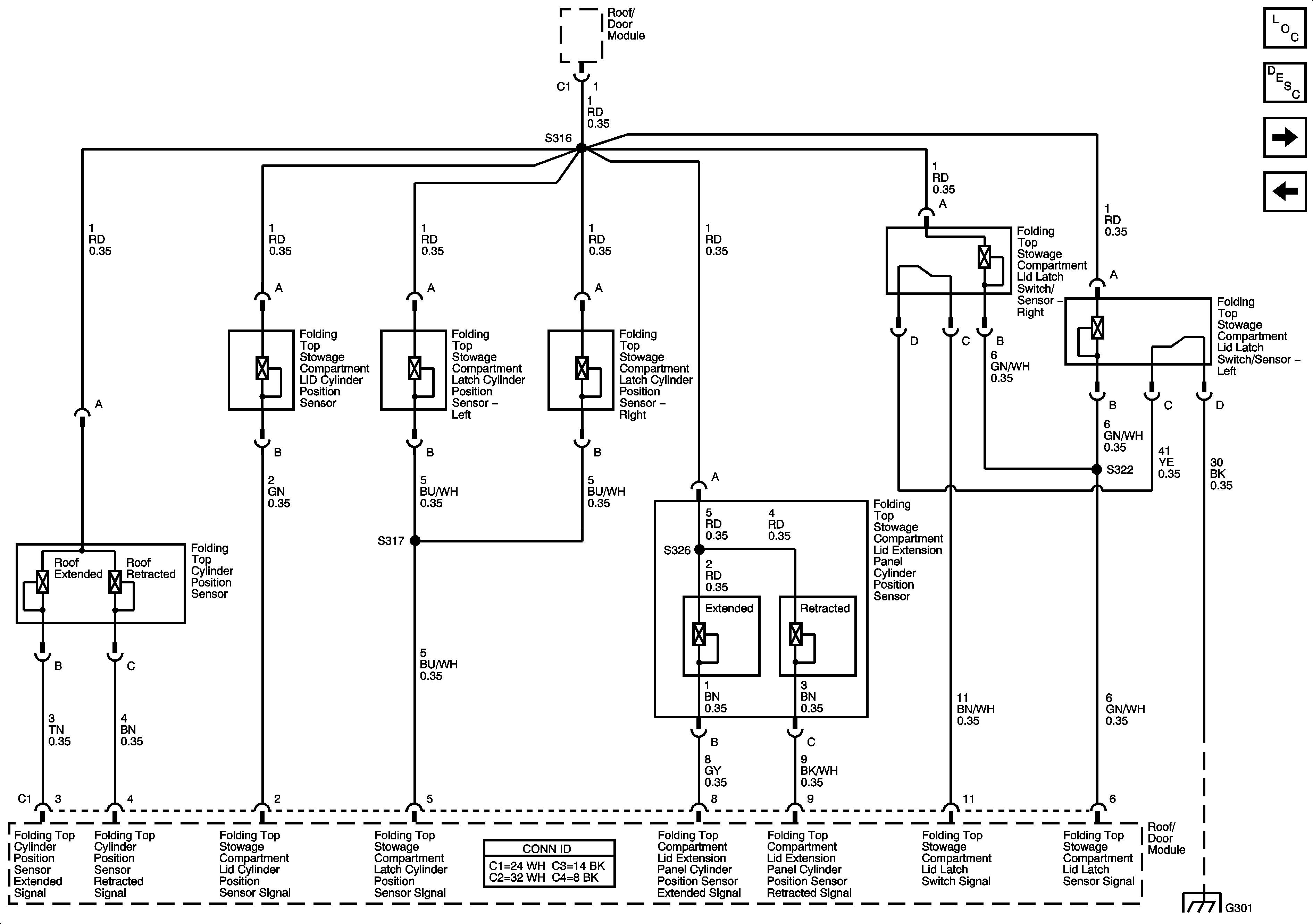
Figure 3:

Sensors


Object Number: 1420458  Size: FS
Master Electrical Component List
Power Folding Top Description and Operation
Folding Top Latches and References
Folding Top Pump Motor Assembly and Relays
G301, G302
Figure 4:

Retractable Roof Latches and References


Object Number: 1420459  Size: FS
Master Electrical Component List
Power Folding Top Description and Operation
Sensors
Shift Lock Control
Power Windows
Body Rear End
A/C Compressor Control
G301, G302