GM Service Manual Online
For 1990-2009 cars only
Makes
🢒
Chevrolet
🢒
2004
🢒
SSR
🢒 Actuators
Actuators
Actuators
Master Electrical Component List
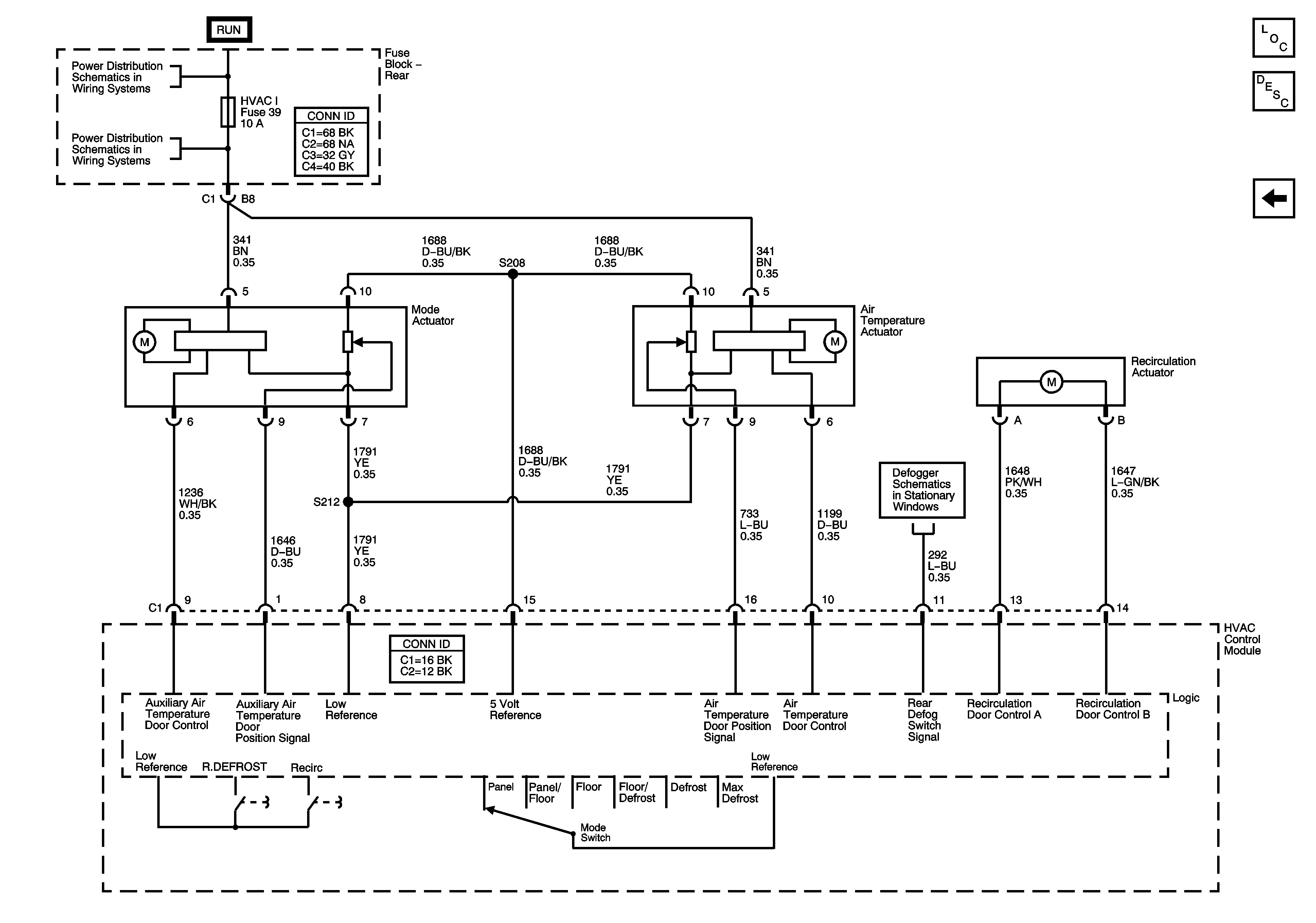
Air Delivery Description and Operation
A/C Compressor Control
ACCY/RUN/START, RUN and START Bus Bars
HVAC I and BRK Fuses
G103, G104
Defogger