GM Service Manual Online
For 1990-2009 cars only
Makes
🢒
Chevrolet
🢒
2005
🢒
SSR
🢒 Actuators
Actuators
Actuators
Master Electrical Component List
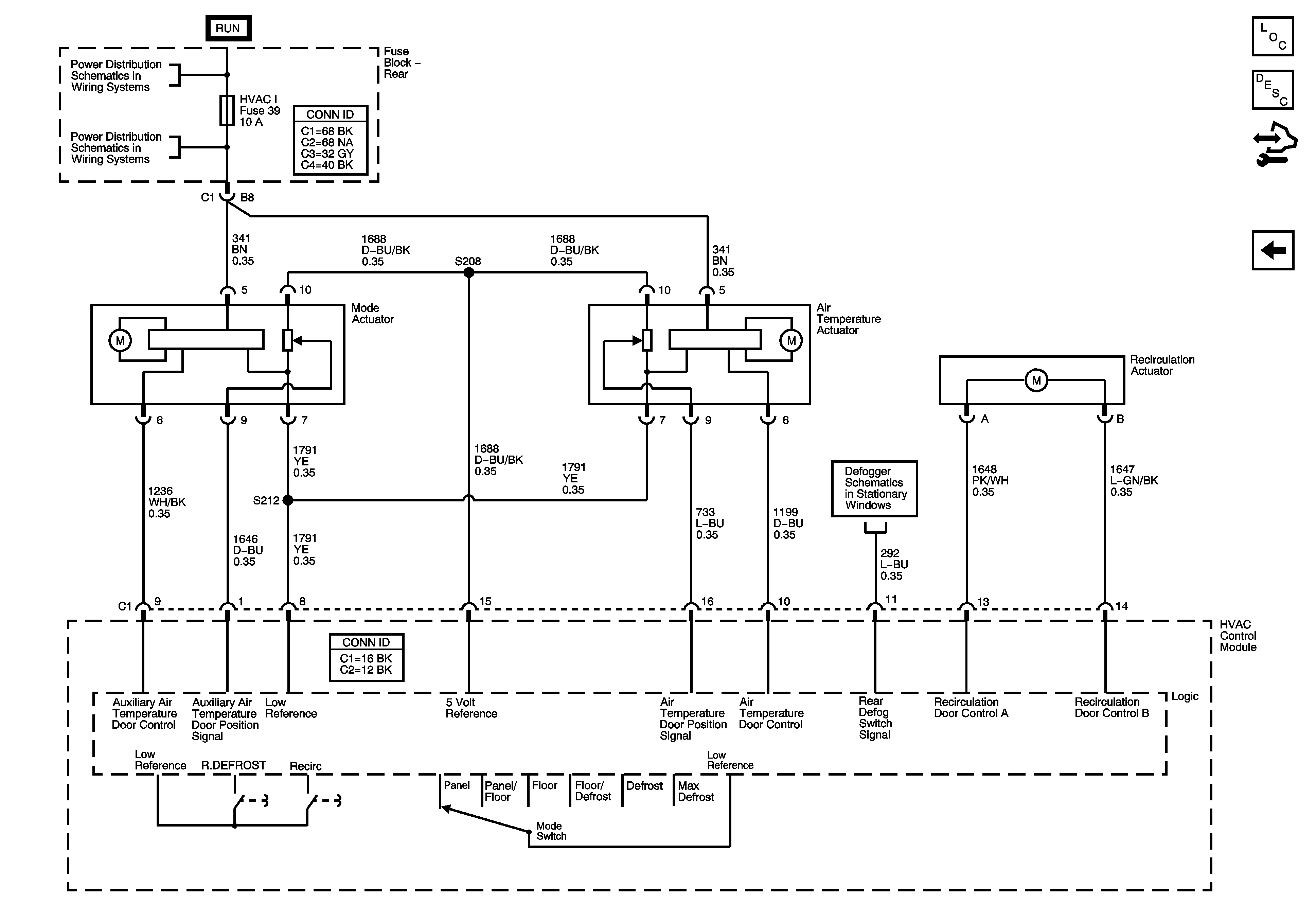
Air Temperature Description and Operation
Control Module References
A/C Compressor Control
Ignition Switch - ACCY/RUN/START,RUN and START Bus Bars, CRNK and IGN A Fuses
BRK and HVAC I Fuses
Defogger Schematics