GM Service Manual Online
For 1990-2009 cars only
Makes
🢒
Chevrolet
🢒
2005
🢒
SSR
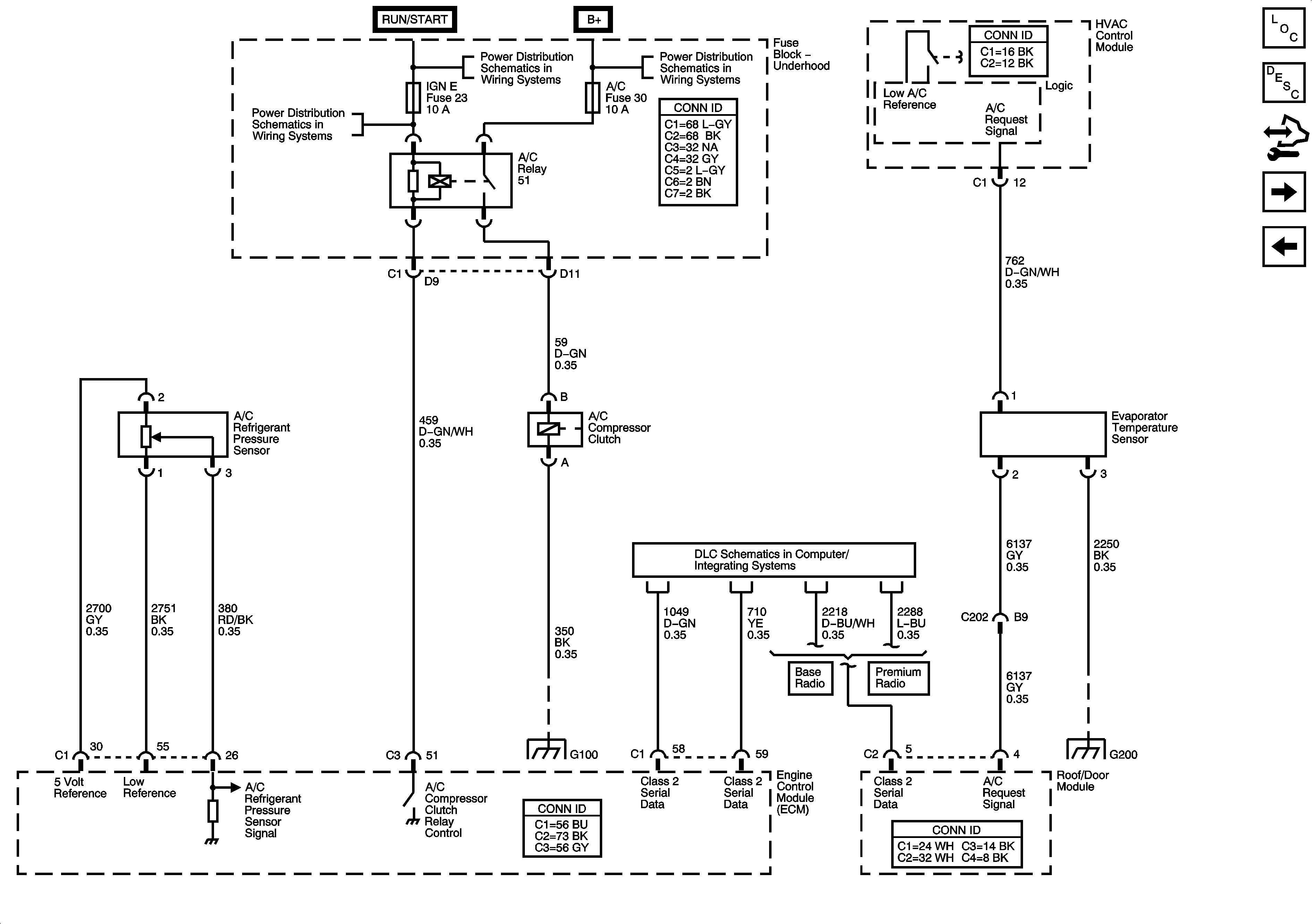
🢒 A/C Compressor Control
A/C Compressor Control
A/C Compressor Controls
Master Electrical Component List
Air Temperature Description and Operation
Control Module References
Actuators
BLower Motor and Mode Controls
BCK/UP REV LK OUT, BTSI, and IGN E Fuses
Ignition Switch - ACCY/RUN and RUN/START Bus Bar and IGN B Fuse
B+ Bus Underhood Fuse Block
Data Link Connector Schematics
G100, G102
G200