GM Service Manual Online
For 1990-2009 cars only
Makes
🢒
Chevrolet
🢒
2005
🢒
SSR
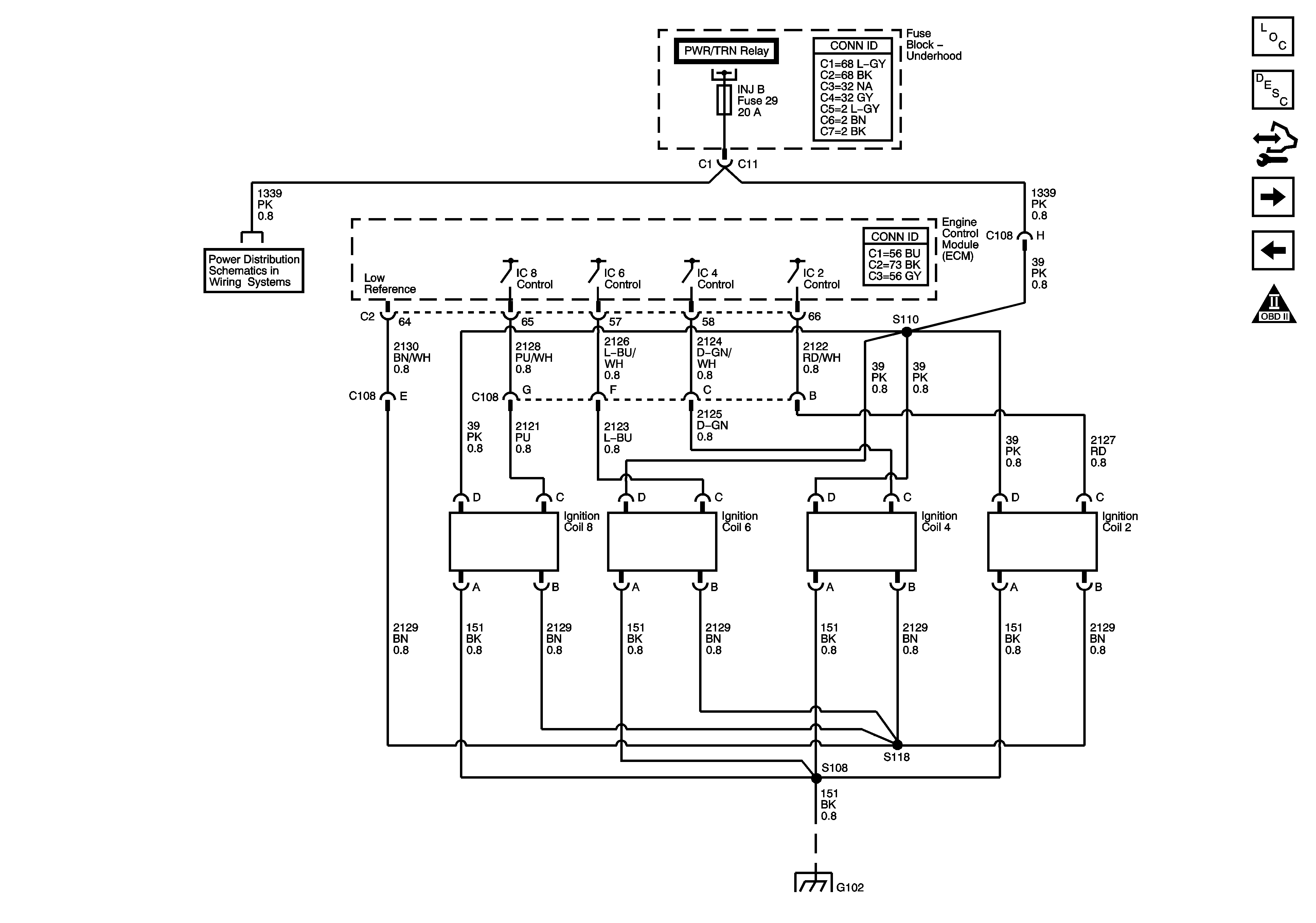
🢒 Ignition Controls - Ignition Systems Coils 2, 4, 6, 8
Ignition Controls - Ignition Systems Coils 2, 4, 6, 8
Ignition Controls - Ignition System Coils 2, 4, 6, 8
Master Electrical Component List
Engine Control Module Description
Control Module References
Ignition Controls - Sensors
Igintion Controls - Ignition System Coils 1, 3, 5, 7
OBD II Symbol Description Notice
Module Power, Ground, Serial Data and MIL
ECM 2, ENG 1, INJ A, INJ B, O2A, and O2B Fuses
G100, G102