GM Service Manual Online
For 1990-2009 cars only
Makes
🢒
Chevrolet
🢒
2005
🢒
SSR
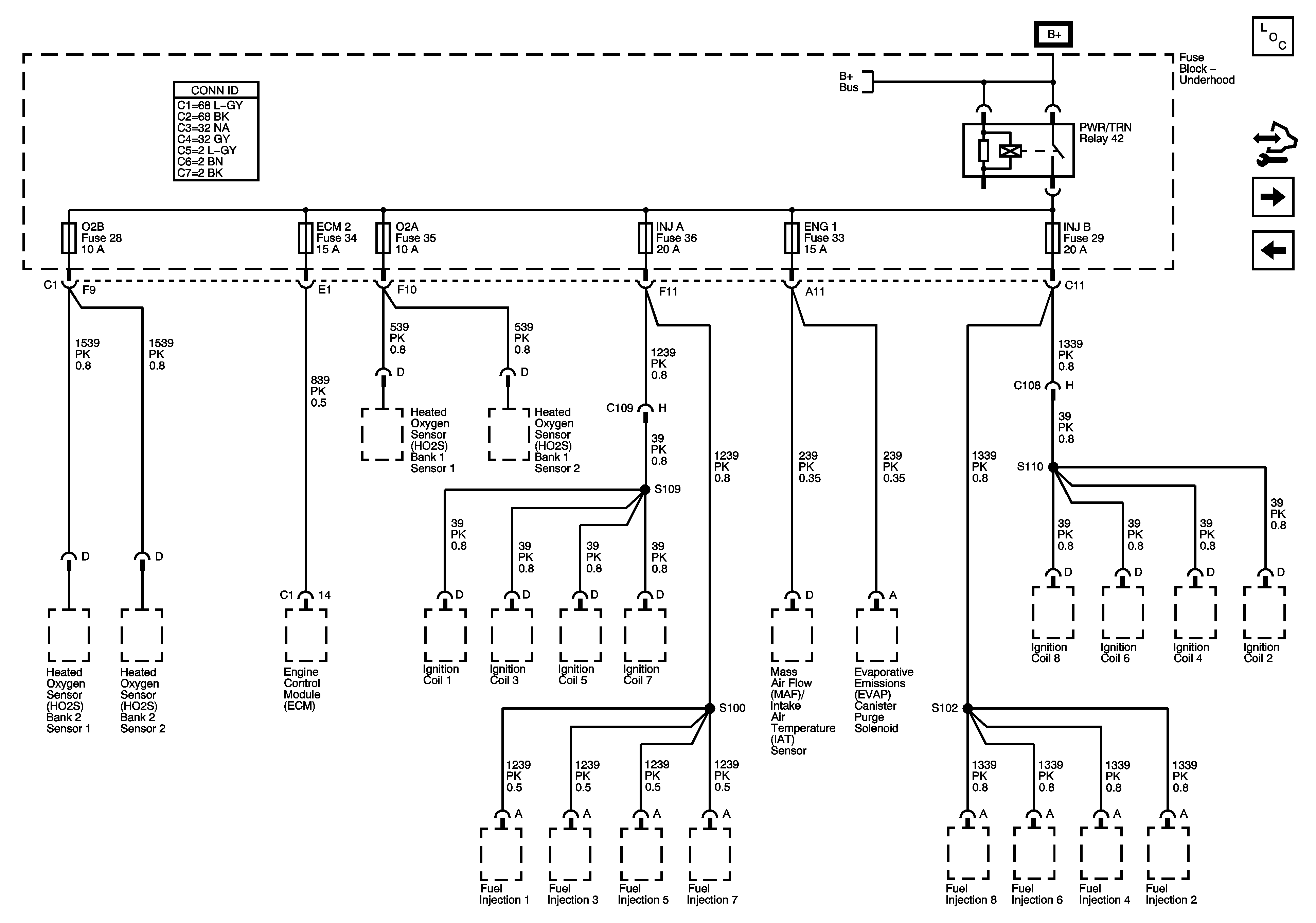
🢒 ECM 2, ENG 1, INJ A, INJ B, O2A, and O2B Fuses
ECM 2, ENG 1, INJ A, INJ B, O2A, and O2B Fuses
ECM 2, ENG 1, INJ A, INJ B, O2A, and O2B Fuses
Master Electrical Component List
Control Module References
F/PRK, LR PRK, RR PRK, and TR-PRK Fuses
BRK and HVAC I Fuses
B+ Bus Underhood Fuse Block