GM Service Manual Online
For 1990-2009 cars only
Makes
🢒
Chevrolet
🢒
2005
🢒
SSR
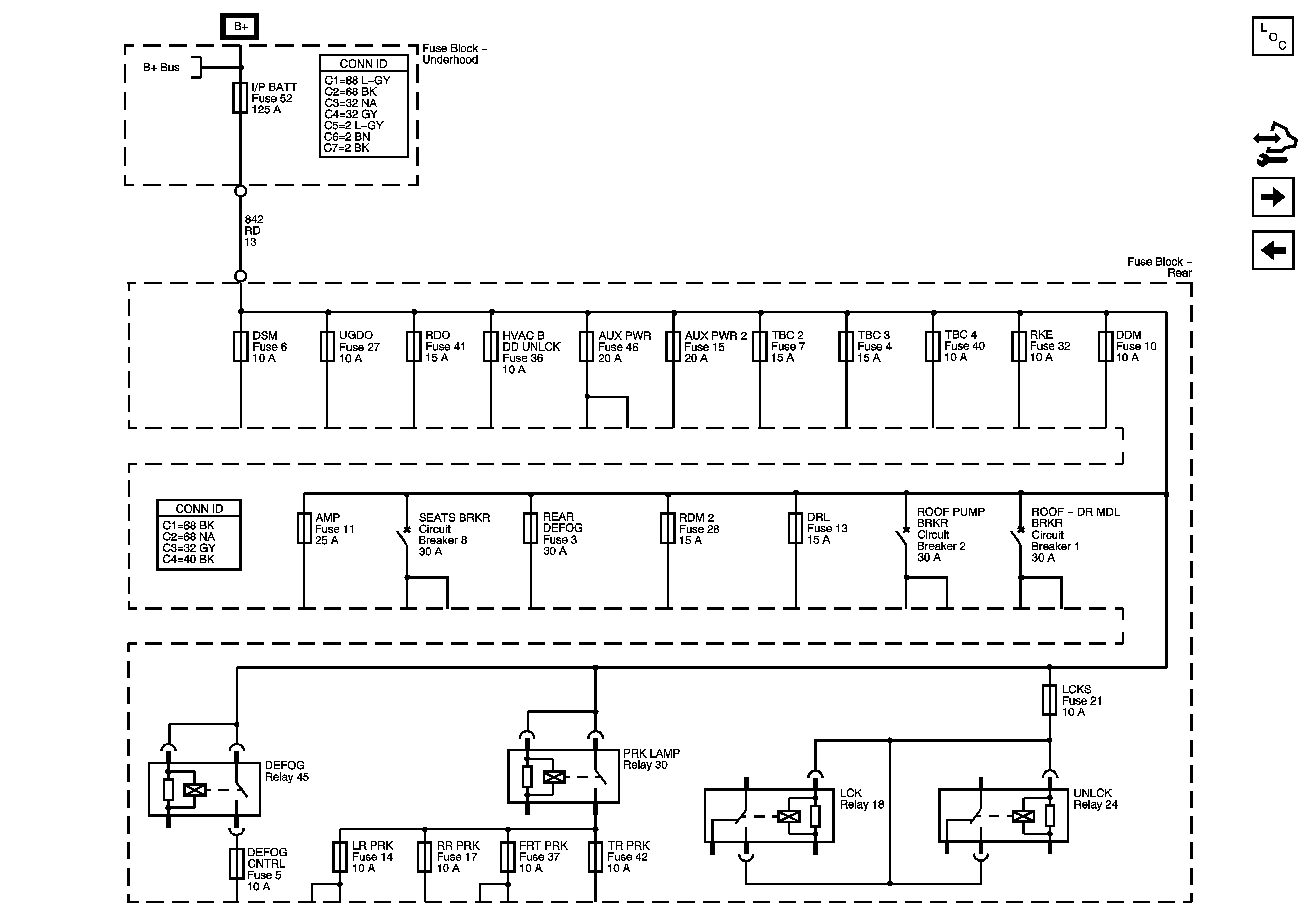
🢒 B+ Bus - Rear Fuse Block
B+ Bus - Rear Fuse Block
B+ BUS - Rear Fuse Block
Master Electrical Component List
Control Module References
COILS, ECM, FLASHER, HDM, HI HDLP LT, HI HDLP RT, IPC DIC, LOW HDLP LT, LOW HDLP RT, TBC 1, and TCM/CNSTR Fuses
B+ Bus Underhood Fuse Block
B+ Bus Underhood Fuse Block