GM Service Manual Online
For 1990-2009 cars only
Makes
🢒
Chevrolet
🢒
2005
🢒
SSR
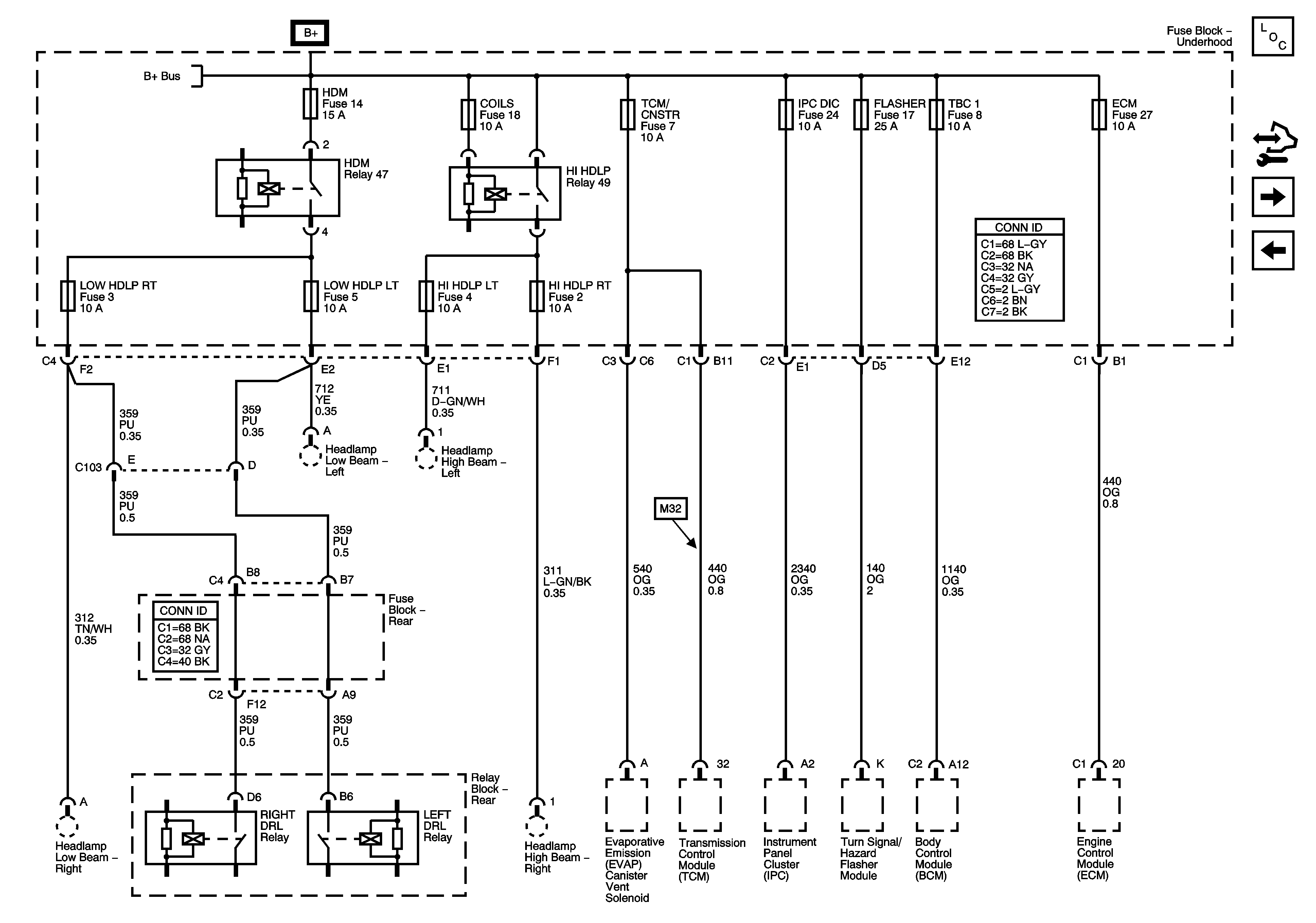
🢒 COILS, ECM, FLASHER, HDM, HI HDLP LT, HI HDLP RT, IPC DIC, LOW HDLP LT, LOW HDLP RT, TBC 1, and TCM/CNSTR Fuses
COILS, ECM, FLASHER, HDM, HI HDLP LT, HI HDLP RT, IPC DIC, LOW HDLP LT, LOW HDLP RT, TBC 1, and TCM/CNSTR Fuses
COILS, ECM, FLASHER, HDM, HI HDLP LT, HI HDLP RT, IPC DIC, LOW HDLP LT, LOW HDLP RT, TBC 1, and TCM/CNSTR Fuses
Master Electrical Component List
Control Module References
ABS, AUX PWR 2, ENG COOL FAN, HVAC BLWR, LTR, STOP, STOP/LP, and VEH CHMSL Fuses
B+ Bus - Rear Fuse Block
B+ Bus Underhood Fuse Block