GM Service Manual Online
For 1990-2009 cars only
Makes
🢒
Chevrolet
🢒
2005
🢒
SSR
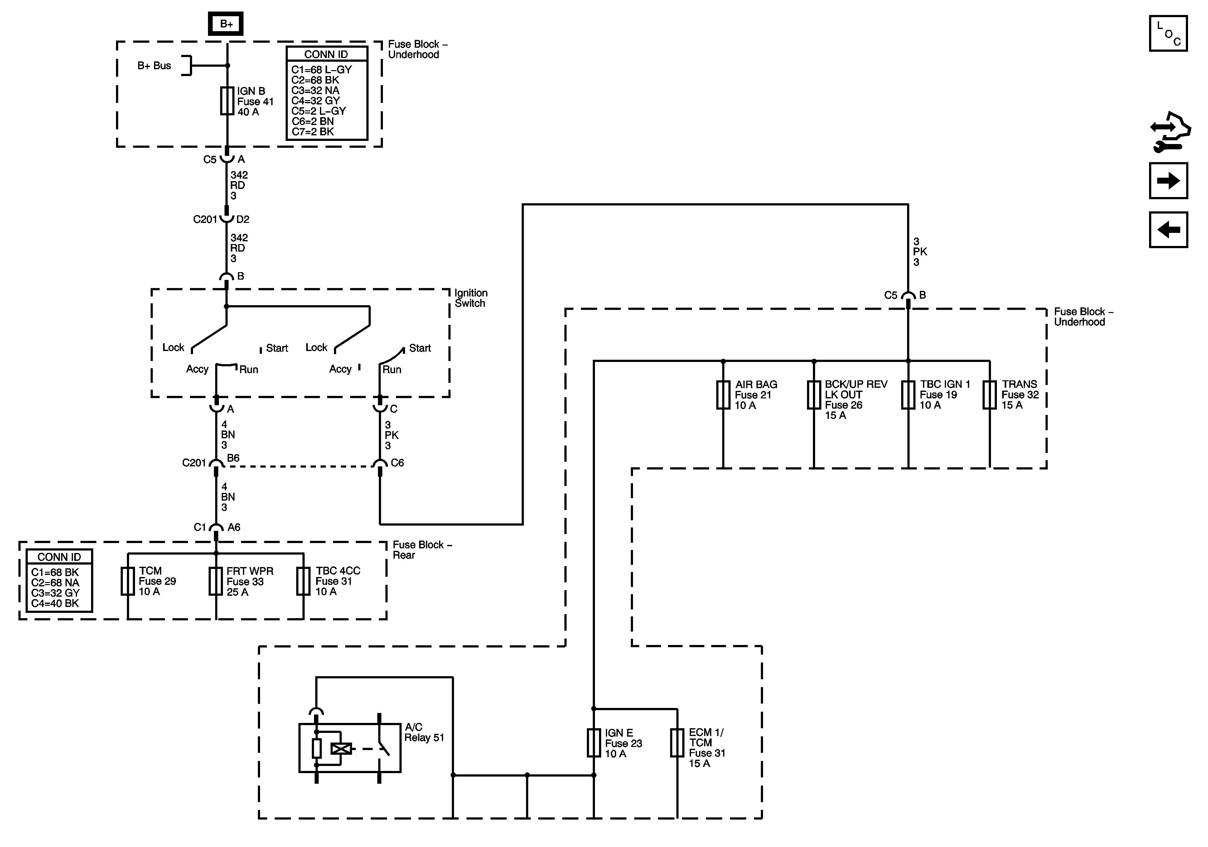
🢒 Ignition Switch - ACCY/RUN and RUN/START Bus Bar and IGN B Fuse
Ignition Switch - ACCY/RUN and RUN/START Bus Bar and IGN B Fuse
Ignition Switch - ACCY/RUN and RUN/START Bus Bars, and IGN B Fuse
Master Electrical Component List
Control Module References
IGN0, TBC IG, TBC 4CC, FT WPR Fuses
Ignition Switch - ACCY/RUN/START,RUN and START Bus Bars, CRNK and IGN A Fuses
B+ Bus Underhood Fuse Block