GM Service Manual Online
For 1990-2009 cars only
Makes
🢒
Chevrolet
🢒
2005
🢒
SSR
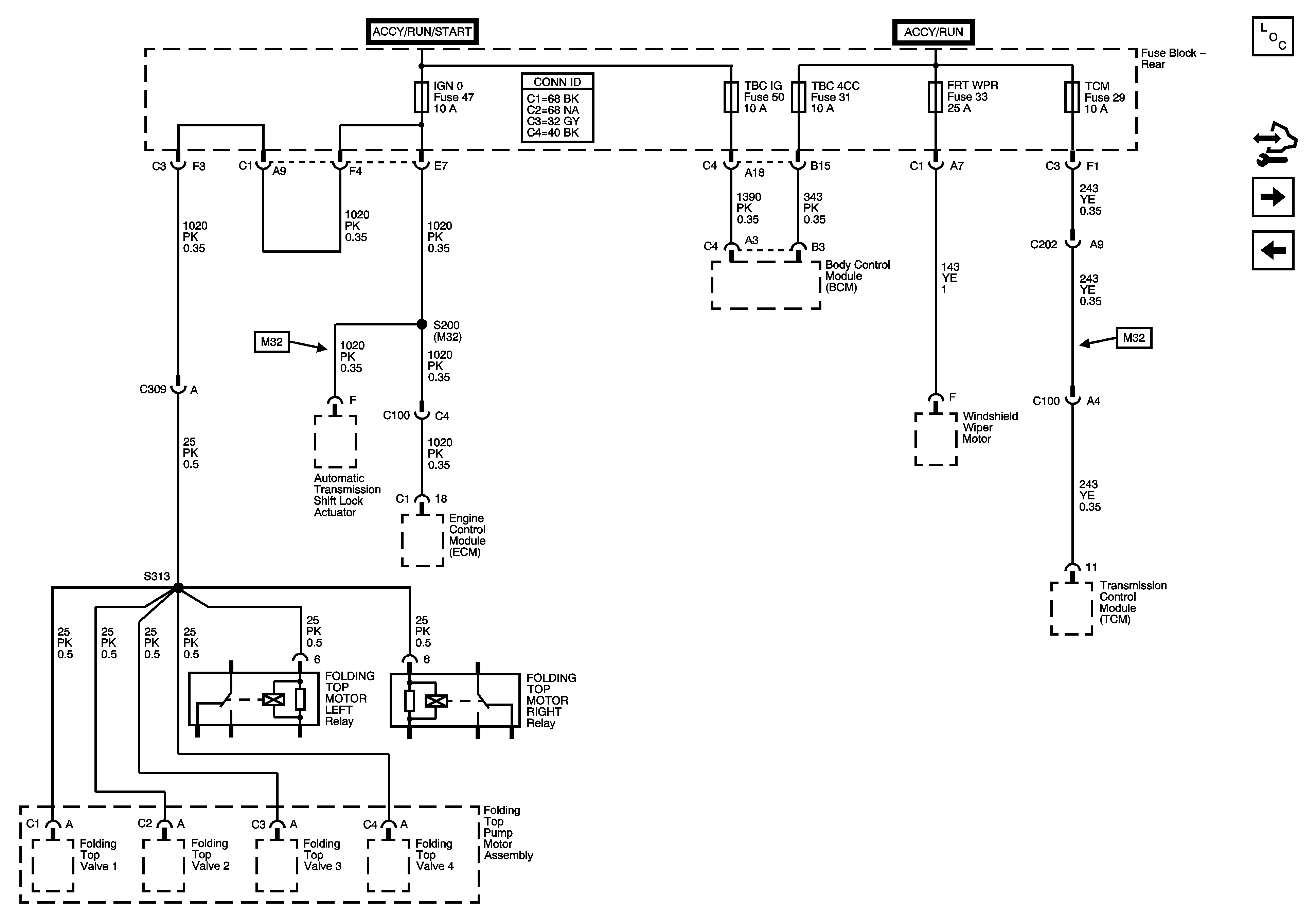
🢒 IGN0, TBC IG, TBC 4CC, FT WPR Fuses
IGN0, TBC IG, TBC 4CC, FT WPR Fuses
IGN 0, TBC IG, TBC 4CC and FT WPR Fuses
Master Electrical Component List
Control Module References
BCK/UP REV LK OUT, BTSI, and IGN E Fuses
Ignition Switch - ACCY/RUN and RUN/START Bus Bar and IGN B Fuse