GM Service Manual Online
For 1990-2009 cars only
Makes
🢒
Chevrolet
🢒
2005
🢒
SSR
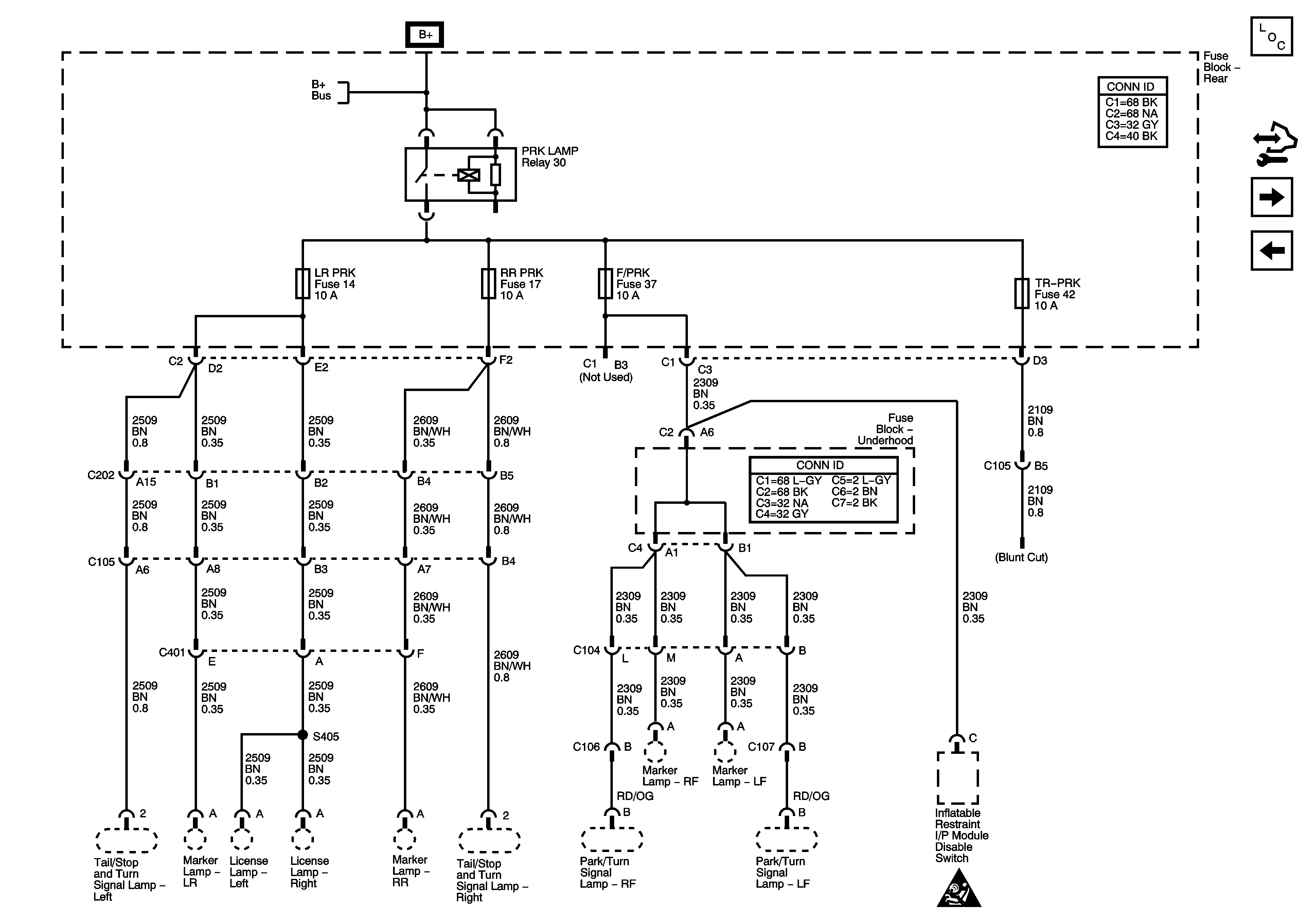
🢒 F/PRK, LR PRK, RR PRK, and TR-PRK Fuses
F/PRK, LR PRK, RR PRK, and TR-PRK Fuses
F/PRK, LR PRK, RR PRK, and TR-PRK Fuses
Master Electrical Component List
Control Module References
L-ST/TRN, L/TURN, R-ST/TRN, and R/TURN Fuses
ECM 2, ENG 1, INJ A, INJ B, O2A, and O2B Fuses
B+ Bus - Rear Fuse Block
SIR Caution for Zoning