GM Service Manual Online
For 1990-2009 cars only
Makes
🢒
Chevrolet
🢒
2007
🢒
Silverado - 2WD
🢒
Diagnostic Navigation
🢒
Vehicle Diagnostic Information
🢒 SIR Schematics
Figure
1:
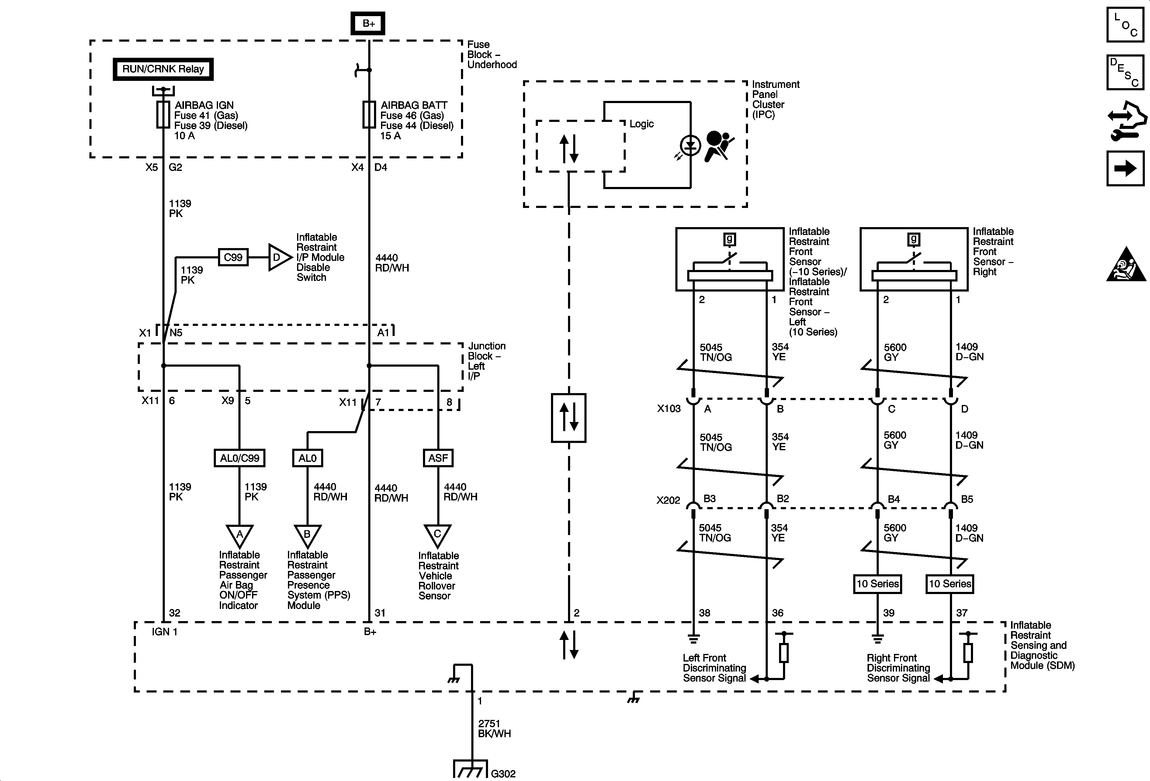
Module Power, Ground, Serial Data and Front Sensors
Master Electrical Component List
SIR System Description and Operation
Control Module References
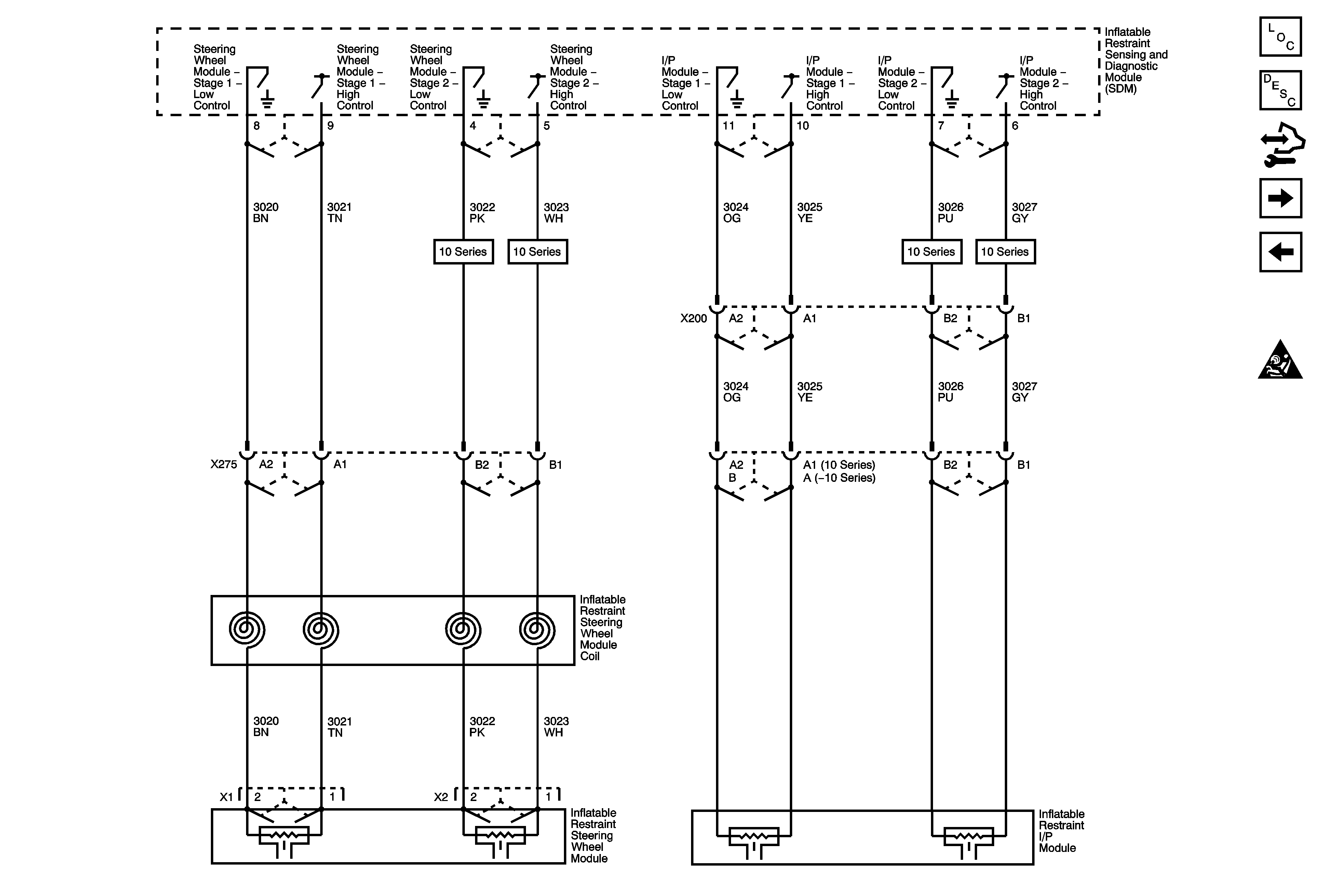
Steering Wheel and I/P Module
SIR Schematic Icons
Ignition II/III Voltage
RUN/CRANK BUS - AIRBAG IGN, MISC IGN and SEO/ALC Fuses
AIRBAG BATT, ALC COMP, EAP, LGM, SEO B1 and SEO B2 Fuses
Passenger Presence System 2 of 2
Low Speed Bus - 3 of 3
Passenger Presence System 1 of 2
Passenger Presence System 1 of 2
Side Impact Modules and Sensors (ASF)
G302
Figure
2:
Steering Wheel and I/P Module
Master Electrical Component List
SIR System Description and Operation
Control Module References
Side Impact Modules and Sensors (ASF)
Module Power, Ground, Serial Data and Front Sensors
SIR Schematic Icons
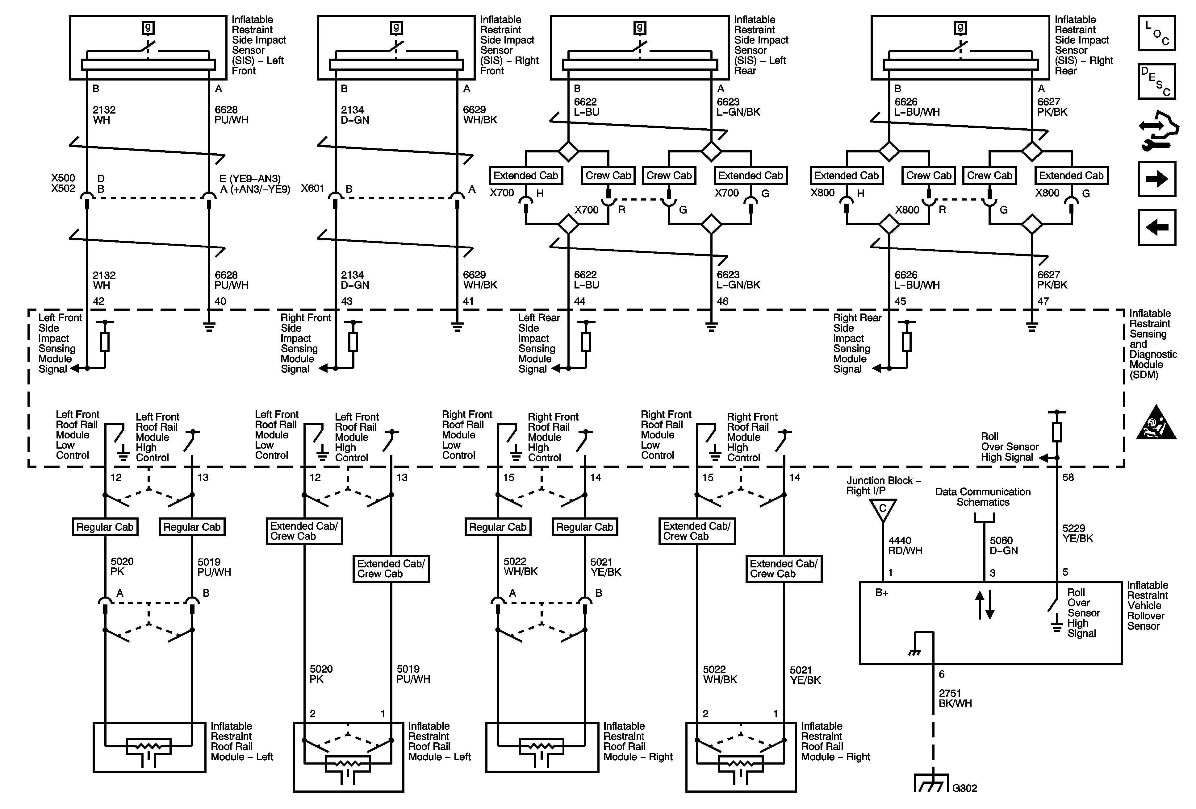
Figure
3:
Side Impact Modules and Sensors (ASF)
Master Electrical Component List
SIR System Description and Operation
Control Module References
Passenger Presence System 1 of 2
Steering Wheel and I/P Module
SIR Schematic Icons
Module Power, Ground, Serial Data and Front Sensors
Low Speed Bus - 3 of 3
G302
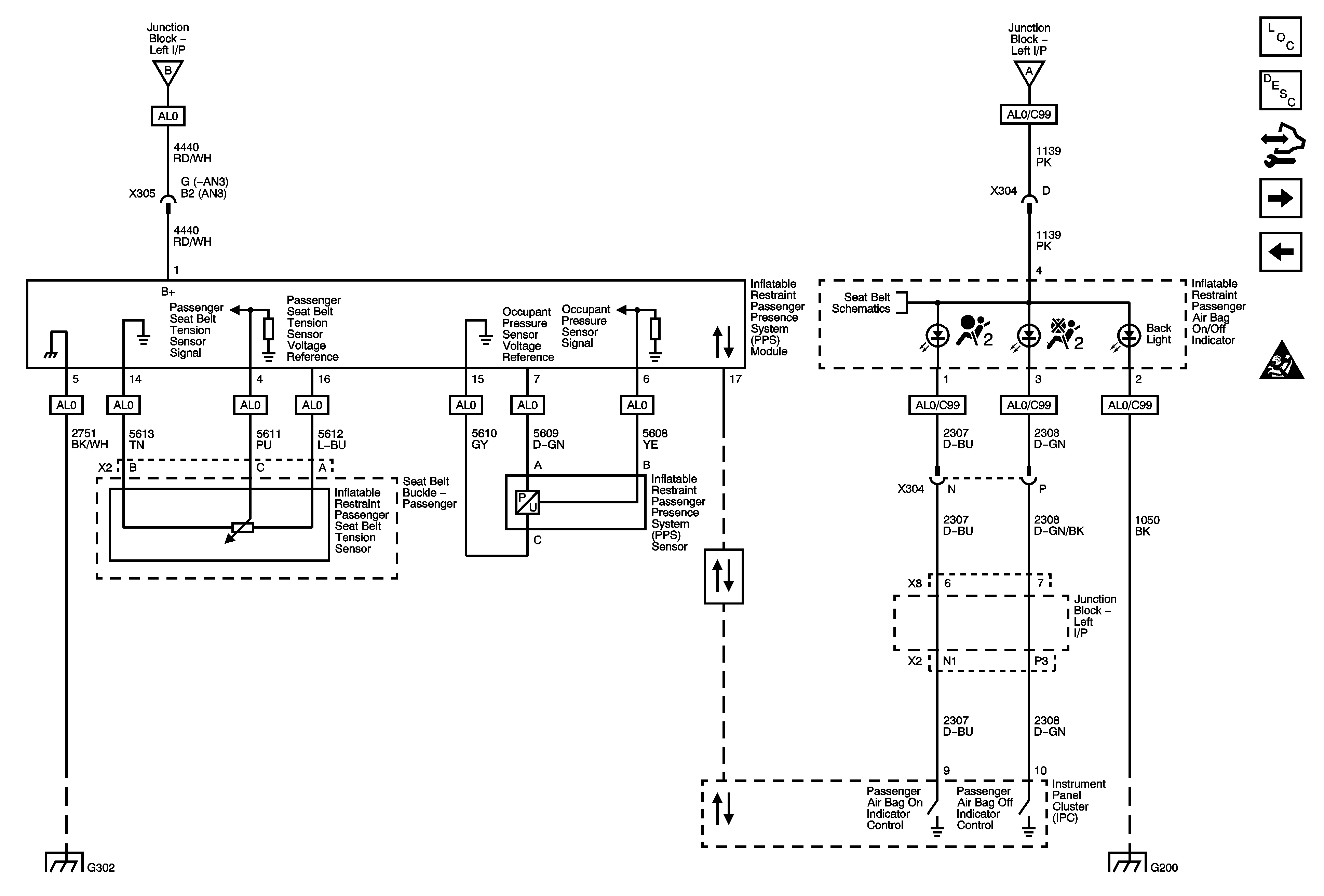
Figure
4:
Passenger Presence System 1 of 2
Master Electrical Component List
SIR System Description and Operation
Control Module References
Passenger Presence System 2 of 2
Side Impact Modules and Sensors (ASF)
SIR Schematic Icons
Module Power, Ground, Serial Data and Front Sensors
Module Power, Ground, Serial Data and Front Sensors
Low Speed Bus - 3 of 3
G302
G200 2 of 2
Figure
5:
Passenger Presence System 2 of 2
Master Electrical Component List
SIR System Description and Operation
Control Module References
Passenger Presence System 1 of 2
SIR Schematic Icons
Module Power, Ground, Serial Data and Front Sensors
Seat Belt Schematics