GM Service Manual Online
For 1990-2009 cars only
Makes
🢒
Chevrolet
🢒
2007
🢒
Silverado - 2WD
🢒 Ignition II/III Voltage
Ignition II/III Voltage
Ignition II/III Voltage
Master Electrical Component List
Power Mode Description and Operation
Control Module References
Ignition III Voltage and Accessory Voltage
Ignition I Voltage and 12 Volt Reference
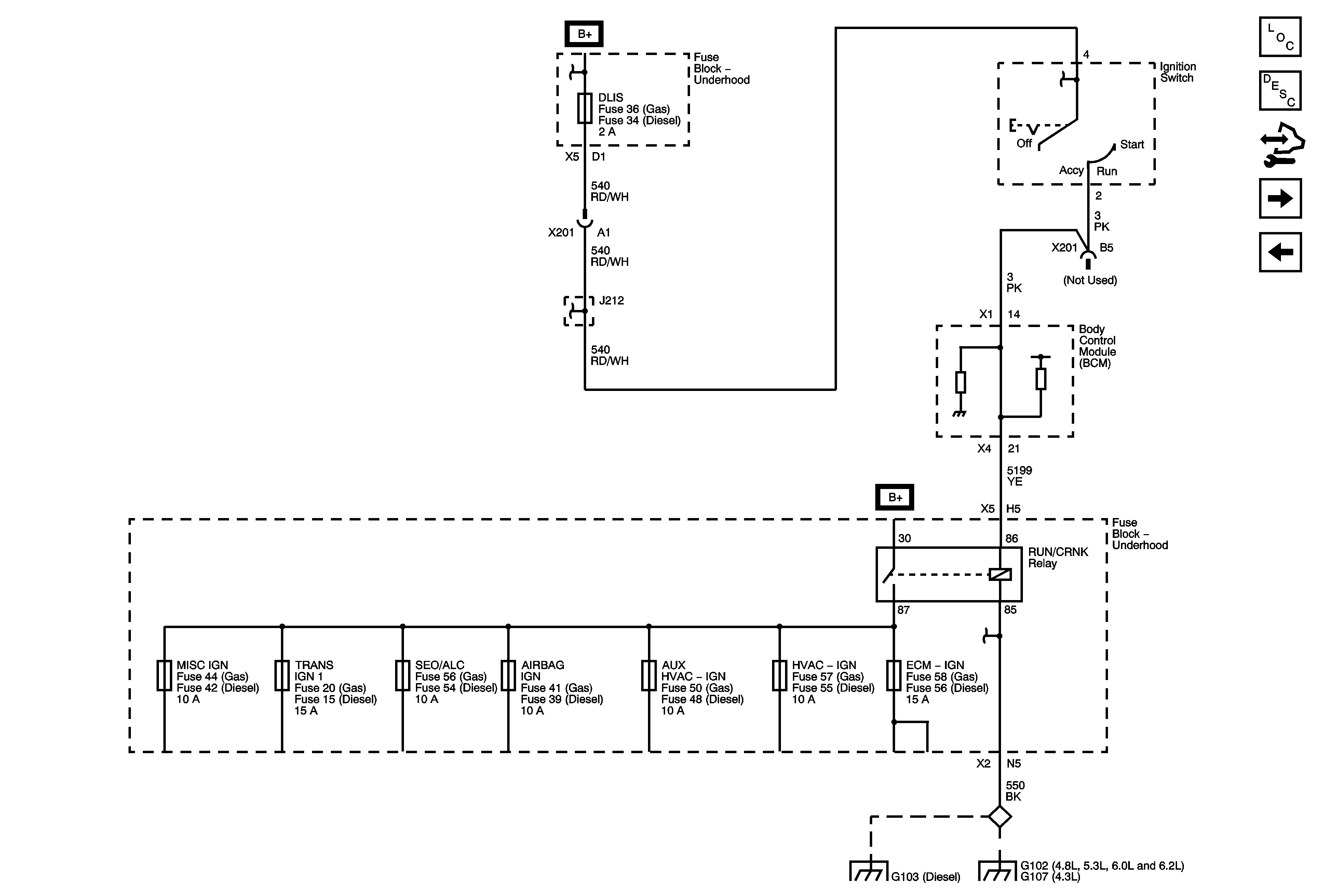
DLIS Fuse and Ignition Switch
RUN/CRANK BUS - AIRBAG IGN, MISC IGN and SEO/ALC Fuses
RUN/CRANK BUS - ECM-IGN and TRANS IGN 1 Fuses
RUN/CRANK BUS - AIRBAG IGN, MISC IGN and SEO/ALC Fuses
RUN/CRANK BUS - AIRBAG IGN, MISC IGN and SEO/ALC Fuses
RUN/CRANK BUS - AUX HVAC- IGN and HVAC-IGN Fuses
RUN/CRANK BUS - AUX HVAC- IGN and HVAC-IGN Fuses
RUN/CRANK BUS - ECM-IGN and TRANS IGN 1 Fuses
G106 (4.3L) and G103
G102, G107 (4.3L), G104, G108