GM Service Manual Online
For 1990-2009 cars only
Makes
🢒
Chevrolet
🢒
2007
🢒
Silverado - 2WD
🢒
Body Systems
🢒
Lighting
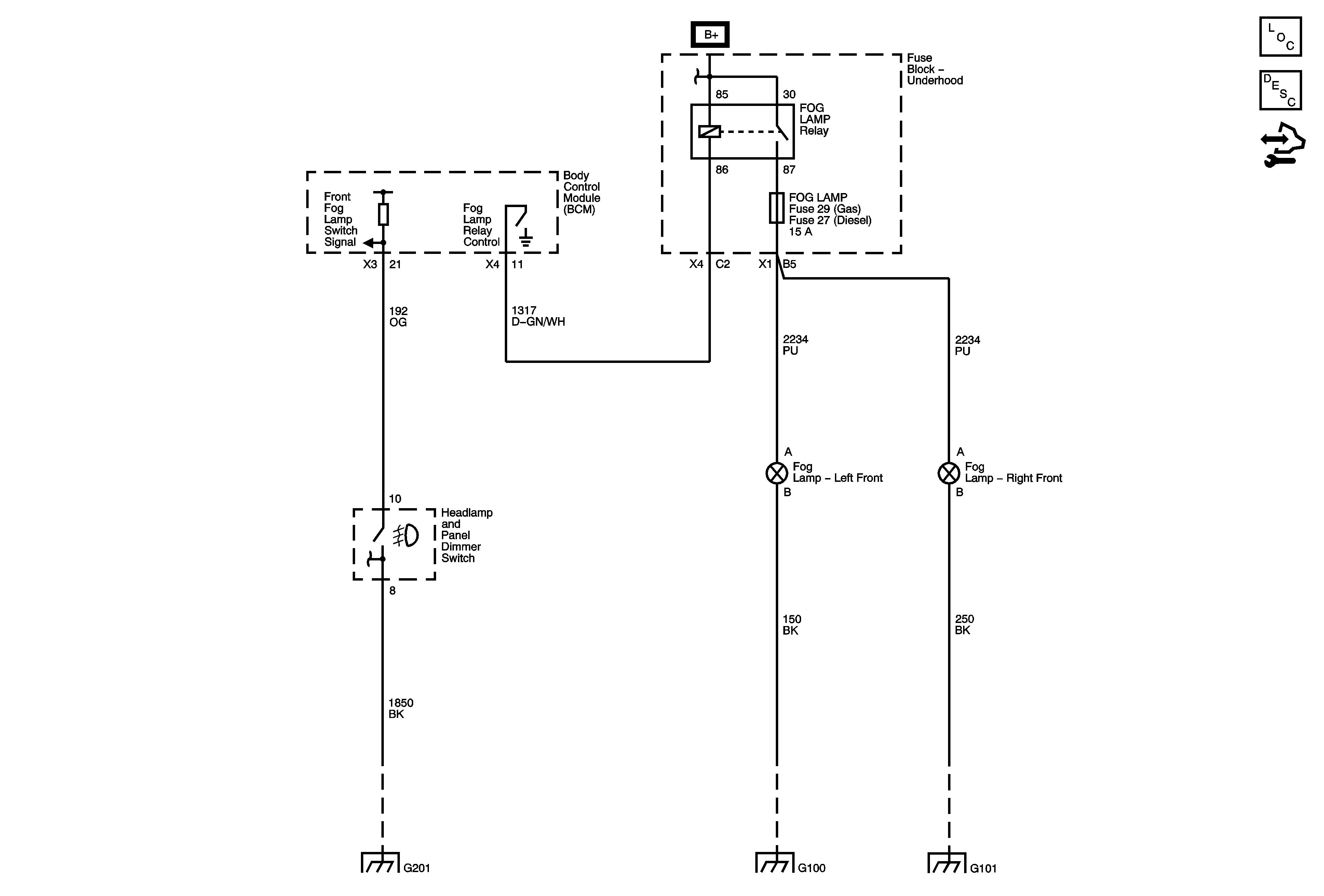
🢒 Fog Lights Schematics
Master Electrical Component List
Exterior Lighting Systems Description and Operation
Control Module References
DRL, DRL 2, FOG LAMP, LO HDLP-LT, LO HDLP-RT, HI HDLP-LT and HI HDLP-RT Fuses
G201 1 of 2
G100
G101