GM Service Manual Online
For 1990-2009 cars only
Makes
🢒
Chevrolet
🢒
2007
🢒
Silverado - 2WD
🢒
Transmission/Transaxle
🢒
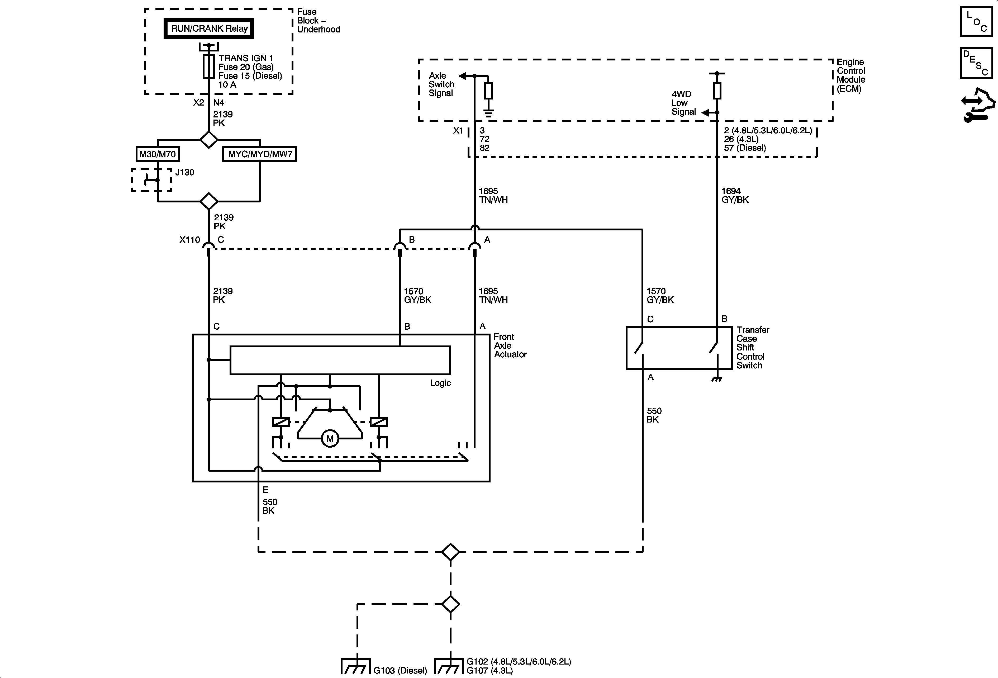
Transfer Case - NVG 261-NP2
🢒 Transfer Case Control Schematics
Master Electrical Component List
Transfer Case Description and Operation
Control Module References
Ignition II/III Voltage
RUN/CRANK BUS - ECM-IGN and TRANS IGN 1 Fuses
G106 (4.3L) and G103
G102, G107 (4.3L), G104, G108