GM Service Manual Online
For 1990-2009 cars only
Makes
🢒
Chevrolet
🢒
2007
🢒
Silverado - 2WD
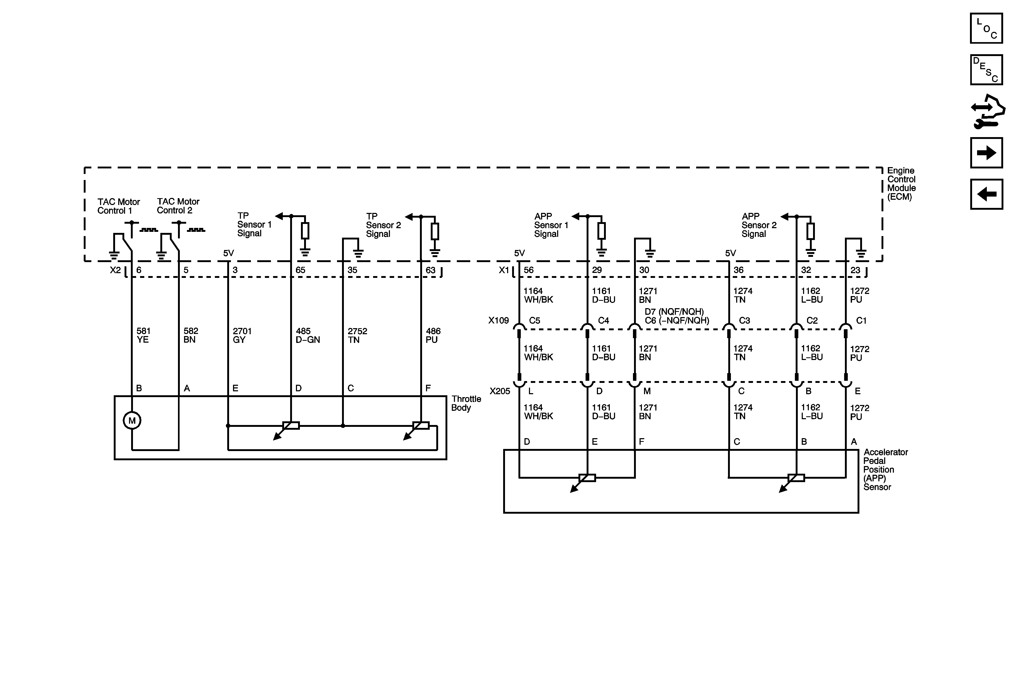
🢒 Engine Data Sensors - Throttle Controls
Engine Data Sensors - Throttle Controls
Engine Data Sensors - Throttle Controls
Master Electrical Component List
Throttle Actuator Control (TAC) System Description
Control Module References
Ignition Controls - Ignition System Coils 1,3,5 and 7
Engine Data Sensors - Heated Oxygen Sensors