GM Service Manual Online
For 1990-2009 cars only
Makes
🢒
Chevrolet
🢒
2007
🢒
Silverado - 2WD
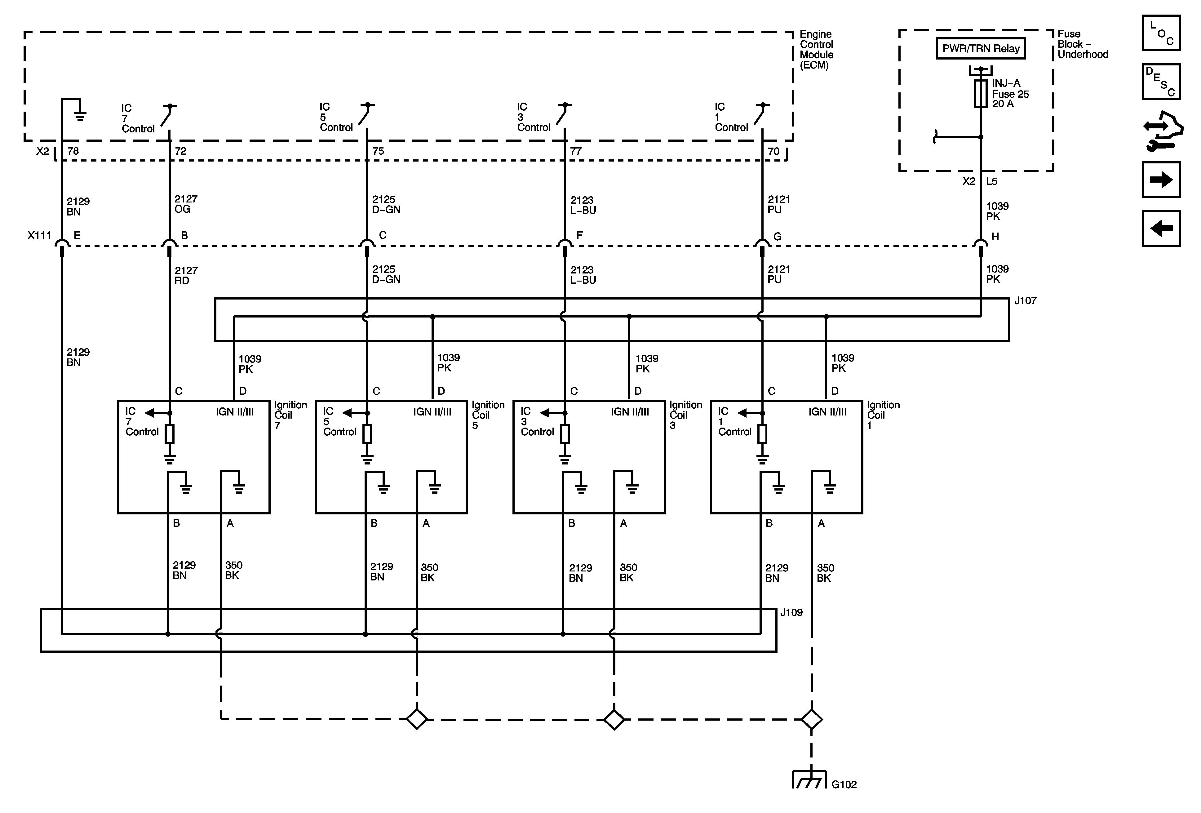
🢒 Ignition Controls - Ignition System Coils 1,3,5 and 7
Ignition Controls - Ignition System Coils 1,3,5 and 7
Ignition Controls - Ignition System Coils 1, 3, 5 and 7
Master Electrical Component List
Electronic Ignition (EI) System Description
Control Module References
Ignition Controls - Ignition System Coils 2,4,6 and 8
Engine Data Sensors - Throttle Controls
Module Power, Ground and Serial Data
G102, G107 (4.3L), G104, G108